반응형
HC-06 (SIG 인증제품) 아두이노용 블루투스 시리얼 모듈, 슬레이브 전용 전압 : 3.3 ~ 5.0VDC
아두이노 블루투스 테스트에 자주 사용하는 HC-05, HC-05 모듈 인증서입니다. 아래에서 자료 다운받으세요.
제품 사양
- 2.4GHz 안테나 내장
- 디지털 2.4GHz 무선통신
- 외부 8Mbit FLASH
- 블루투스 클래스 2
- 3.3VDC ~ 5.0VDC 동작전압
- 크기 : 37.3 X 15.5(mm)
- 동작온도 : -25℃ ~ 75℃
- 컴퓨터 페어링(Pairing)시
- Default Name : HC-06
- Default 시리얼포트 세팅 : 9600,N,8,1
- Default 페어링코드 : 1234
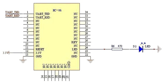
배선연결
- EN : Not Use
- VCC : Voltage
- GND : Ground
- TXD : Transmit Data
- RXD : Receive Data
- STATE : Not Use
회로 연결도

예제 코드
void setup() {
Serial.begin(9600);
pinMode(13, OUTPUT);
}
void loop() {
byte data;
data = Serial.read();
if(data=='a'){
digitalWrite(13, HIGH); // set the LED on
}
if(data=='b'){
digitalWrite(13, LOW); // set the LED off
}
}
인증서는 아래 이미지를 입축한 PDF 파일입니다. 제공해주신 ic114.com에 감사~^^










반응형
'개발자 > 부품' 카테고리의 다른 글
| ESP32 S3 1.85인치 원형 LCD 디스플레이 (0) | 2025.11.07 |
|---|---|
| ESP32 기상 관측소 기상 계측기 키트 (0) | 2025.11.06 |
| ESP32-S3 릴레이, 8 채널 8-Ch ESP32-WROOM (0) | 2025.11.04 |
| 네 가지 유형의 리튬 이온 원통형 배터리 (0) | 2025.10.31 |
| 리튬 배터리 코드 INR, ICR, IMR, IFR (0) | 2025.10.24 |
| 제너 다이오드 전압을 확인하는 방법 (0) | 2025.10.16 |
| ISD1820 음성 녹음 재생 모듈 회로와 파워앰프 추가 방법 (1) | 2025.10.10 |
| LED와 저항을 사용한 간단한 배터리 잔량 표시 회로 (0) | 2025.10.08 |
취업, 창업의 막막함, 외주 관리, 제품 부재!
당신의 고민은 무엇입니까? 현실과 동떨어진 교육, 실패만 반복하는 외주 계약,
아이디어는 있지만 구현할 기술이 없는 막막함.
우리는 알고 있습니다. 문제의 원인은 '명확한 학습, 실전 경험과 신뢰할 수 있는 기술력의 부재'에서 시작됩니다.
이제 고민을 멈추고, 캐어랩을 만나세요!
코딩(펌웨어), 전자부품과 디지털 회로설계, PCB 설계 제작, 고객(시장/수출) 발굴과 마케팅 전략으로 당신을 지원합니다.
제품 설계의 고수는 성공이 만든 게 아니라 실패가 만듭니다. 아이디어를 양산 가능한 제품으로!
귀사의 제품을 만드세요. 교육과 개발 실적으로 신뢰할 수 있는 파트너를 확보하세요.
캐어랩