e4ds 강의 일정이 잡혀, 내용을 구성중이다. GPS 추적기를 구성한다. 구매를 하고 테스트를 하고 문서를 작성한다. 늘 하던 일이지만 더 잘한다. 기회를 최대한 활용하는 게 사업가의 일이다.
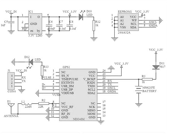
NEO-6M GPS 모듈 GY-GPS6MV2 [SZH-EK095]
Product Description
- GPS modules NEO-6M, 3V-5V power supply Universal
- Model: GY-GPS6MV2
- Destined module with ceramic antenna, signal super
- Save the configuration parameter data EEPROM Down
- With data backup battery
- There are LED signal indicator
- Antenna size 25 * 25mm
- Module size 25mm * 35mm
- PCB size 36mm*26mm
- Installation aperture 3mm
- Default Baud Rate: 9600
- Compatible with various flight control modules that provide GPS computer test software
- Tiny GPS 라이브러리
- 납땜은 되어 있지 않습니다.
데이터시트 참고


안테나 꼽기 전

안테나 체결 후

'개발자 > 부품' 카테고리의 다른 글
| LED 조명을 가진 심볼 캐릭터 택트 스위치 (0) | 2025.11.27 |
|---|---|
| MOC3022 옵토커플러 (0) | 2025.11.26 |
| 리튬 이온(Li-ion) 및 리튬 폴리머(Li-Po) 배터리 충전기 모듈 (0) | 2025.11.25 |
| 저항기 종류 (0) | 2025.11.20 |
| GDI 터치 디스플레이 인터페이스 및 LiPo 배터리 지원이 가능한 ESP32-C5 보드. (0) | 2025.11.15 |
| ESP32 S3 1.85인치 원형 LCD 디스플레이 (0) | 2025.11.07 |
| ESP32 기상 관측소 기상 계측기 키트 (0) | 2025.11.06 |
| ESP32-S3 릴레이, 8 채널 8-Ch ESP32-WROOM (0) | 2025.11.04 |
취업, 창업의 막막함, 외주 관리, 제품 부재!
당신의 고민은 무엇입니까? 현실과 동떨어진 교육, 실패만 반복하는 외주 계약,
아이디어는 있지만 구현할 기술이 없는 막막함.
우리는 알고 있습니다. 문제의 원인은 '명확한 학습, 실전 경험과 신뢰할 수 있는 기술력의 부재'에서 시작됩니다.
이제 고민을 멈추고, 캐어랩을 만나세요!
코딩(펌웨어), 전자부품과 디지털 회로설계, PCB 설계 제작, 고객(시장/수출) 발굴과 마케팅 전략으로 당신을 지원합니다.
제품 설계의 고수는 성공이 만든 게 아니라 실패가 만듭니다. 아이디어를 양산 가능한 제품으로!
귀사의 제품을 만드세요. 교육과 개발 실적으로 신뢰할 수 있는 파트너를 확보하세요.
캐어랩