반응형
3D 모델링 & 3D 프린팅을 교육하면서 가장 많이 아쉬웠던 점은 3D라는 이름앞에 한없이 작아지는 분들이 생각보다 굉장히 많다는 사실이었습니다.
책을 사기엔 몇만원씩하는 책값이 부담스럽고, 그렇다고 동영상 강의를 찾아보면 기능 중심으로만 설명되어있어 당장 가려운데를 긁어주지는 못하구..난 단지 컵하나를 만들고 싶을 뿐인데..
이런 분들을 위해 3D 모델링, 3D 프린팅에 대해서 아주 쉽게 설명한 강의를 만들고자 무한상상실에서 [초간단 3D 프린팅 레시피]라는 이름의 프로젝트를 진행하게 되었습니다.
요즘 학업이다 취업이다 바쁜 여러분을 위한 핵심만 간추린 강의!!
10분정도의 짧은 영상만으로 3D 프린팅, 3D 모델링을 쉽게 시작하실 수 있답니다^^*
반응형
'개발자 > 캐드-도면-회로도' 카테고리의 다른 글
리튬 배터리 충전기 TP4056 회로도 (0) | 2025.03.26 |
---|---|
센서들 기구 도면 - 캘리퍼스로 재서 작성한 도면 (2) | 2015.10.19 |
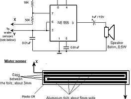
물감지, 누수감지, 물센서, 액체센서, 누수센서등 물을 감지하여 출력을 내는 회로도 모음 (2) | 2014.11.13 |
OrCad 파트넘버로 찾기, 부품 찾기 (0) | 2014.07.29 |
Orcad BOM 뽑을때 옵션 주기 (2) | 2014.07.29 |
더욱 좋은 정보를 제공하겠습니다.~ ^^