예전에 만든 미세먼지 보드는 ssd1306 OLED와 PM2008 미세먼지 센서를 I2C 인터페이스로 연결하여 잘 동작했다. 새로 만든 보드는 OLED를 새로 구입하여 연결했는데 동작하지 않아서 이틀 동안 내내 시험하고 프로그램 수정하고 참 주옥같은 시간을 보냈다.
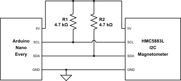
결국 SCL, SDA 라인에 아래처럼 풀업 저항을 달아 깔끔하게 해결했다. 머릿속에는 이미 해결책이 들어 있었는데 밖으로 나오기엔 시간이 필요했는지, 아니면 게으르고 미루는 습성 둘 다 일거다. 여하튼 잘 해결했다. 멈추지 않고 잘 동작한다.
I2C OLED 새로 샀는데 아마 풀업저항이 내부적으로 없었던 이유로 보이는데 왜 안달았을까? 아래와 같은 일이 발생하면 우선 이무것도 잃을 것이 없으니 무조건 풀업저항을 달아준다. 저항은 10K 오옴을 넘지 않아야 한다.
- I2C 조금 동작하다가 멈추는 경우
- 디버깅 하다 보면 부품 문제가 아니고 MCU 라는 의심이 들 경우
- I2C 인터페이스 부품을 새로 산 경우


'아두이노우노 R4' 카테고리의 다른 글
| 아두이노 나노 33 IoT 기반 NTP 세계 시계 사용 (1) | 2024.08.07 |
|---|---|
| 아두이노 푸시 버튼 - 전체 자습서 (2) | 2024.08.05 |
| Nano 33 IoT BLE Scanner 코드 (1) | 2024.08.05 |
| 아두이노 나노, PM2008 미세먼지 SSD1306 Oled Display (1) | 2024.07.29 |
| DS1302 아두이노 RTC 모듈 사용법 (2) | 2024.07.12 |
| 아두이노 0.96인치 OLED 디스플레이(SSD1306) 실습 (0) | 2024.07.04 |
| UNO R4 WiFi BLE ② LPS22의 BLE 주변기기 (1) | 2024.06.18 |
| UNO R4 WiFi BLE ① 기압 센서 LPS22 연결 (1) | 2024.06.17 |
취업, 창업의 막막함, 외주 관리, 제품 부재!
당신의 고민은 무엇입니까? 현실과 동떨어진 교육, 실패만 반복하는 외주 계약,
아이디어는 있지만 구현할 기술이 없는 막막함.
우리는 알고 있습니다. 문제의 원인은 '명확한 학습, 실전 경험과 신뢰할 수 있는 기술력의 부재'에서 시작됩니다.
이제 고민을 멈추고, 캐어랩을 만나세요!
코딩(펌웨어), 전자부품과 디지털 회로설계, PCB 설계 제작, 고객(시장/수출) 발굴과 마케팅 전략으로 당신을 지원합니다.
제품 설계의 고수는 성공이 만든 게 아니라 실패가 만듭니다. 아이디어를 양산 가능한 제품으로!
귀사의 제품을 만드세요. 교육과 개발 실적으로 신뢰할 수 있는 파트너를 확보하세요.
캐어랩