항상 최신 버전의 프로그램과 툴을 사용하세요. 쉽게 자신의 성장을 돕는 방법입니다. 메이커 활동을 하든, 코딩 학습을 하시는 분들도 최신 버전의 실습 보드와 프로그램 환경을 구성하시기 바랍니다.
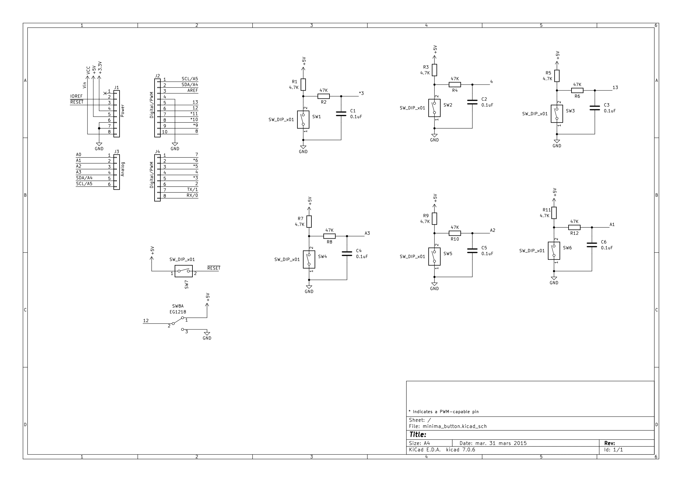
지루하고 심심해서 만들어봤습니다. 버튼은 6개를 가진 아두이노 Minima 쉴드 보드입니다.
아두이노의 최신 버전 Arduino R4 Minima 보드는 HID를 지원합니다. HID(Human Interface Device) 지원 기능이 내장되어 있어 USB Data C-type 케이블을 통해 컴퓨터에 연결하면 마우스나 키보드처럼 동작하는 제품을 개발할 수 있습니다. 이 편리한 기능을 사용하면 키 입력과 마우스 움직임을 컴퓨터로 쉽게 보낼 수 있어 반복작업, 버튼이나 스위치 입력, 마우스 이동이나 드래그와 같은 기능을 쉽게 구현할 수 있습니다.
보드의 장점:
1. 버튼 6개로 각 버튼의 자동화 코드 실행
2. 리셋 버튼으로 동작 이상시 리셋 실행
3. 키보드 동작시 슬라이드 스위치 ON 상태로 수행
4. 키보드 동작 이상할 경우 OFF 상태로 실행 금지하고 디버깅
회로도

PCB 설계 도면

3D 도면입니다.

거버파일 필요하시면 다운로드 하세요.
버튼 입력 프로그램 코드 예
#include "Keyboard.h"
#include "Mouse.h"
// set pin numbers for the five buttons:
const int startlow = 8;
const int yellow = 4;
void setup() { // initialize the buttons' inputs:
pinMode(startlow, INPUT_PULLUP); //when 2 num pin goes Low, Start!
pinMode(yellow, INPUT);
Serial.begin(9600);
// initialize mouse control:
Mouse.begin();
Keyboard.begin();
while (digitalRead(startlow) == HIGH) { // 8번 핀 LOW 입력받을때 시작 High면 정지상태 유지 - 꼭 필요함
delay(100);
}
Serial.println("operate");
}
void loop() {
while (digitalRead(startlow) == HIGH) { // 8번 핀 GND 아니면 동작 안하도록, 반드시 추가
delay(100);
}
//Serial.println("start low");
if (digitalRead(yellow) == HIGH) {
Serial.println("yellow Button");
Mouse.click(MOUSE_RIGHT);
//Mouse.press(MOUSE_RIGHT);
delay(100);
//Mouse.release(MOUSE_RIGHT);
//delay(100);
Keyboard.write('v');
delay(600);
Keyboard.press(KEY_RETURN);
delay(100);
Keyboard.releaseAll();
}
}
'메이커 Maker' 카테고리의 다른 글
| 로봇 제작의 단계 분류 (8) | 2024.11.04 |
|---|---|
| 환경 모니터링 및 오염 제거 로봇 구현 (2) | 2024.11.04 |
| 300 electronic projects, 배움을 멈추지 마세요. (7) | 2024.10.04 |
| 디자인 출원을 위한 디자인 도면 작성 가이드북 (3) | 2024.09.26 |
| LED 크리스마스 트리 (3) | 2024.09.21 |
| Police Light Flasher Circuit (1) | 2024.09.17 |
| USB-PD, 고전력 USB 충전 시스템이란? (3) | 2024.09.11 |
| 미세먼지 측정기 렌더링 이미지 (1) | 2024.08.12 |
취업, 창업의 막막함, 외주 관리, 제품 부재!
당신의 고민은 무엇입니까? 현실과 동떨어진 교육, 실패만 반복하는 외주 계약,
아이디어는 있지만 구현할 기술이 없는 막막함.
우리는 알고 있습니다. 문제의 원인은 '명확한 학습, 실전 경험과 신뢰할 수 있는 기술력의 부재'에서 시작됩니다.
이제 고민을 멈추고, 캐어랩을 만나세요!
코딩(펌웨어), 전자부품과 디지털 회로설계, PCB 설계 제작, 고객(시장/수출) 발굴과 마케팅 전략으로 당신을 지원합니다.
제품 설계의 고수는 성공이 만든 게 아니라 실패가 만듭니다. 아이디어를 양산 가능한 제품으로!
귀사의 제품을 만드세요. 교육과 개발 실적으로 신뢰할 수 있는 파트너를 확보하세요.
캐어랩