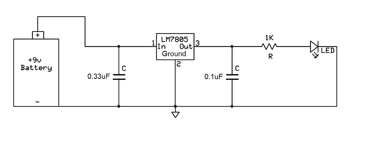
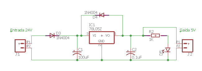
첫 번째 커패시터인 0.33uF 세라믹 커패시터는 전압 소스(이 경우 9볼트 배터리) 뒤와 LM7805 레귤레이터 입력 전에 연결됩니다. 이 커패시터는 전압 소스(배터리)에서 발생하는 모든 노이즈를 필터링하는 역할을 합니다. 전압 조정기는 깨끗한 DC 신호가 공급될 때 가장 잘 작동하며 가장 효율적입니다. DC 라인 전압에 교류 노이즈(리플)가 발생해서는 안 됩니다. 커패시터는 본질적으로 바이패스 커패시터 역할을 합니다. 전압 신호의 AC 신호(전압 신호의 노이즈)를 접지로 단락시키고 신호의 DC 부분만 레귤레이터로 이동합니다.
두 번째 커패시터인 0.1uF 세라믹 커패시터는 전압 조정기 다음에 연결됩니다. 이 커패시터는 DC 전압 라인에 있을 수 있는 노이즈나 고주파(교류) 신호를 필터링하기 위해 다시 연결됩니다. LED를 켜는 이와 같은 회로에서는 순수한 DC 신호가 중요하지 않지만, 올바른 로직 출력을 제공하기 위해 정확한 전압을 공급해야 하는 로직 칩에 전원을 공급하기 위한 전압 출력과 같은 다른 애플리케이션에서는 매우 중요합니다. 그렇기 때문에 처음부터 전압 레귤레이터를 제대로 연결하는 것이 좋습니다.
자, 회로를 다시 한 번 정리해 보겠습니다. 회로는 9볼트 배터리에서 시작됩니다. 이렇게 하면 9볼트의 전압이 생성됩니다. 첫 번째 커패시터인 세라믹 0.33uF는 여기에 (교류) 노이즈가 있는 경우 신호를 정리합니다. 이 노이즈를 접지로 단락시키고 순수한 DC 신호가 레귤레이터로 전달되도록 합니다. 레귤레이터는 이 전압을 5V로 낮춰 조절합니다. 레귤레이터에서 전압이 나오면 다른 커패시터인 0.1uF 세라믹이 고주파 또는 교류 노이즈를 제거하여 깨끗한 DC 신호를 다시 생성합니다. 이제 깨끗하고 선명한 이 DC 전압은 원하는 모든 장치(이 경우 부하는 저항과 LED)에 전원을 공급할 준비가 되었습니다.
전압 조정기의 설계는 사용 중인 전압 조정기와 회로의 용도에 따라 달라진다는 점에 유의하세요. 회로에 사용 중인 전압 조정기에 대한 제조업체의 데이터시트를 참조하여 필요한 외부 부품과 연결하는 방법을 확인하세요. 일반적으로 필요한 외부 부품은 커패시터뿐이지만 열 방출이 필요한 경우 방열판을 추가해야 할 수도 있습니다. 데이터시트에는 어떤 커패시터 값을 사용해야 하는지 명시되어 있으므로 칩을 제조한 사람에게 문의하는 것이 좋습니다. 또한 회로는 용도에 따라 변경될 수 있습니다. 위의 예에서처럼 회로의 부하가 안정적이고 변하지 않는 경우에는 일반적으로 스무딩 커패시터 역할을 하기 위해 출력에 큰 전해 커패시터를 추가할 필요가 없습니다. 그러나 예를 들어 출력에 전위차계와 같은 변화하는 부하가 있는 경우 세라믹 커패시터에 전해 커패시터를 병렬로 추가하는 것이 좋습니다. 이 전해 커패시터는 부하 저항 변화로 인해 회로에서 급격한 전압 스파이크 및 강하가 발생할 때 스무딩 커패시터 역할을 합니다. 이 커패시터는 회로에 과도한 전류 스파이크가 발생하면 전압으로 충전하고, 회로에 전류가 부족하면 방전하여 전압을 공급합니다. 따라서 평활화 효과가 있고 상황을 균일하게 합니다. 기본적으로 로드 밸런서 역할을 합니다. 고급 프로젝트에서는 더 많은 내용을 다룰 예정이지만 이 페이지는 기본 회로의 전압 조정기를 연결하기 시작하는 분들에게 좋은 시작점이 될 것입니다.




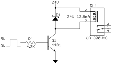
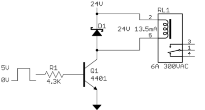
"24V 신호"로 변환하는 것은 요점을 놓치고 있습니다. 진짜 문제는 5V 디지털 신호에서 24V 릴레이를 구동하는 것입니다. 다행히도 이는 쉽습니다. 한 가지 방법이 있습니다:

'개발자 > 부품' 카테고리의 다른 글
| 4-digit 7-segment display with two 74HC595 using CPLD (3) | 2024.10.22 |
|---|---|
| 4자리 7세그먼트 디스플레이 LED 74HC595 드라이버 (2) | 2024.10.22 |
| 2-Digit Seven Segment Display (3) | 2024.10.22 |
| D4184 MOS FET PWM 스위칭 모듈 5-36V 15A 400W (2) | 2024.10.20 |
| ESP32-C6-Pico (6) | 2024.10.19 |
| Seeed XIAO ESP32-C3 Wi-Fi 및 BLE 전력 효율성 초소형 MCU 보드 (3) | 2024.10.16 |
| Zhixianda 14.1 인치 1920*1080 오픈 프레임 모니터 (2) | 2024.10.11 |
| 패널 마운트 USB 3.0 Type A 커넥터 (1) | 2024.10.10 |
취업, 창업의 막막함, 외주 관리, 제품 부재!
당신의 고민은 무엇입니까? 현실과 동떨어진 교육, 실패만 반복하는 외주 계약,
아이디어는 있지만 구현할 기술이 없는 막막함.
우리는 알고 있습니다. 문제의 원인은 '명확한 학습, 실전 경험과 신뢰할 수 있는 기술력의 부재'에서 시작됩니다.
이제 고민을 멈추고, 캐어랩을 만나세요!
코딩(펌웨어), 전자부품과 디지털 회로설계, PCB 설계 제작, 고객(시장/수출) 발굴과 마케팅 전략으로 당신을 지원합니다.
제품 설계의 고수는 성공이 만든 게 아니라 실패가 만듭니다. 아이디어를 양산 가능한 제품으로!
귀사의 제품을 만드세요. 교육과 개발 실적으로 신뢰할 수 있는 파트너를 확보하세요.
캐어랩