라즈베리파이 카메라 모듈 3의 주요 특징
(정지) 화질
카메라 모듈 3에는 개선된 12MP IMX708 쿼드 베이어 센서가 장착되어 있으며 하이 다이나믹 레인지 모드가 포함되어 있어 지금까지 만든 카메라 모듈 중 가장 높은 품질을 자랑합니다.
좋은 Focus
카메라 모듈 3은 초고속 자동 초점을 기본으로 갖추고 있습니다. 풍부한 소프트웨어 명령 라이브러리를 통해 초점을 맞추는 대상과 방법을 완벽하게 제어할 수 있습니다.
다른 관점에서 바라보기
표준 75도보다 더 넓은 시야각이 필요하신가요? 카메라 모듈 3 와이드는 120도의 초광각 화각으로 라즈베리파이로 더 많은 세상을 볼 수 있습니다.
사물을 다르게 보기
표준 카메라와 와이드 카메라 모두 적외선 필터가 없는 옵션이 제공되므로 적외선 조명과 함께 사용하면 카메라 모듈 3을 야간 투시경 카메라로 사용할 수 있습니다.
카메라 모듈 3은 libcamera로 구동되는 라즈베리파이 오픈 소스 카메라 시스템을 활용합니다. 이 풍부한 라이브러리 세트를 통해 개발자는 이미지 처리를 정밀하게 제어하고 카메라 모듈 3의 내부에 더 쉽게 액세스할 수 있습니다.
Camera Module 3 (left) and Camera Wide Angle (right)

Camera Module 3 NoIR (left) and Camera Module 3 Wide NoIR (right)

HQ Camera, M12-mount (left) and C/CS-mount (right)

라즈베리 파이 AI 카메라는 소니 IMX500 이미징 센서를 사용하여 모든 카메라 애플리케이션에 지연 시간이 짧고 고성능의 AI 기능을 제공합니다. 라즈베리 파이의 카메라 소프트웨어 스택과의 긴밀한 통합을 통해 사용자는 최소한의 노력으로 자체 신경망 모델을 배포할 수 있습니다.

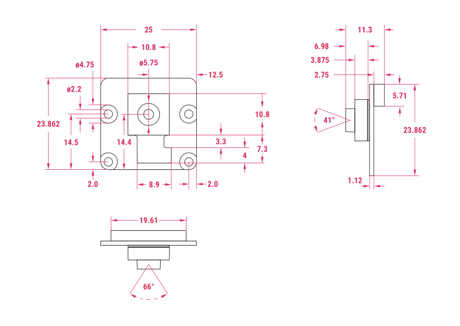
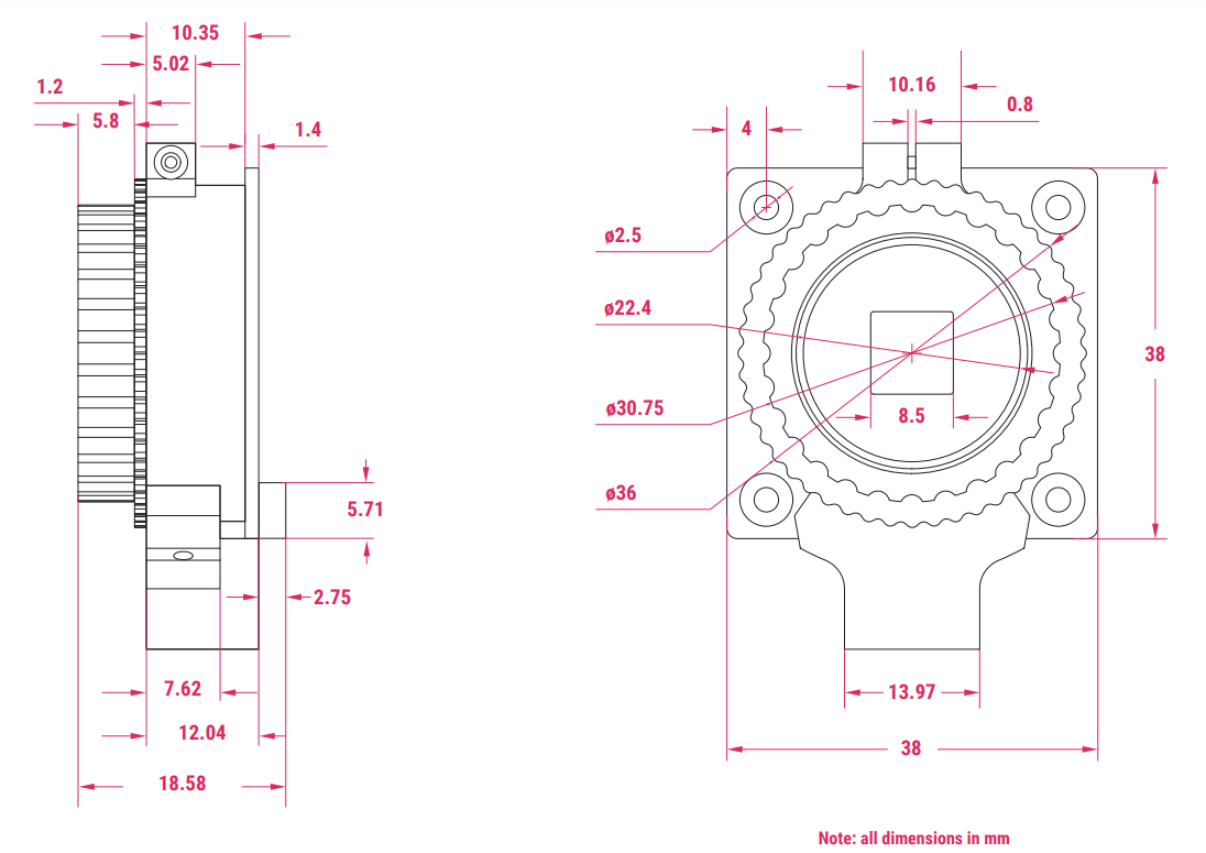
기계 도면
이 도면을 참고할 것!

Raspberry Pi Camera Module 3 Mechanical Drawings

Raspberry Pi Camera Module 3 Wide Lens Variant

Raspberry Pi Camera Module 3 CS Camera Mount

Raspberry Pi Camera Module 3 M12 Camera Mount

'라즈베리파이 5' 카테고리의 다른 글
| 라즈베리 파이 5 PCIe to M.2 Hat (0) | 2025.01.02 |
|---|---|
| 라즈베리 파이 5 AI 키트, Hailo AI 가속 모듈 (0) | 2024.12.31 |
| YOLOv8-Object-Detection-with-DeepSORT-Tracking (1) | 2024.12.20 |
| Raspberry Pi 500 features (3) | 2024.12.16 |
| 라즈베리파이 태양광 TimeLabs 카메라 프로젝트 (2) | 2024.12.07 |
| 라즈베리파이 OS 설치 Raspberry Pi Imager 사용 (1) | 2024.12.02 |
| Raspberry Pi 5 GPIO 핀 할당 주의점 (2) | 2024.11.29 |
| 라즈베리 파이 원격 관리 및 액세스 도구 18개 도구 (1) | 2024.11.28 |
취업, 창업의 막막함, 외주 관리, 제품 부재!
당신의 고민은 무엇입니까? 현실과 동떨어진 교육, 실패만 반복하는 외주 계약,
아이디어는 있지만 구현할 기술이 없는 막막함.
우리는 알고 있습니다. 문제의 원인은 '명확한 학습, 실전 경험과 신뢰할 수 있는 기술력의 부재'에서 시작됩니다.
이제 고민을 멈추고, 캐어랩을 만나세요!
코딩(펌웨어), 전자부품과 디지털 회로설계, PCB 설계 제작, 고객(시장/수출) 발굴과 마케팅 전략으로 당신을 지원합니다.
제품 설계의 고수는 성공이 만든 게 아니라 실패가 만듭니다. 아이디어를 양산 가능한 제품으로!
귀사의 제품을 만드세요. 교육과 개발 실적으로 신뢰할 수 있는 파트너를 확보하세요.
캐어랩