Raspberry Pi Pico 2 RP2350 Pico2 옵션, 2 W ARM Cortex-M33 및 RISC-V Hazard3 520KByte 4MByte QSPI 플래시
【제품 소개】
라즈베리 파이 피코 2, 최신 RP2350 을 기반으로하는 라즈베리 파이의 새로운 MCU 보드.


【버전 선택】


향상된 마이크로 컨트롤러 개발 보드
2 세대 라즈베리 파이 피코 보드에는 다음과 같은 개선 사항이 제공됩니다.
- CPU: 2 개의 듀얼 코어 CPU:
- 듀얼 ARM Cortex-M33 코어
- 듀얼 RISC-V RISC 3 코어
- 최대 150 MHz의 시스템 클럭
- SRAM: 520KByte
- 4MByte QSPI 플래시 메모리
- 포괄적 인 보안: ARM TrustZone, 8KB 온칩 OTP 스토리지, 보안 부팅
- 더 나은 플래시 메모리 인터페이스를위한 XIP v2
- PIO 상태 기계 12 대 (3 블록)
1 세대 피코와 호환되는 핀투핀
Raspberry Pi Pico 2 는 이전 버전과의 완벽한 핀 투 핀 호환성을 유지합니다.라즈베리 파이 피코. 이를 통해 기존 프로젝트 및 캐리어 보드의 원활한 전환을 보장하여 사용자가 기존 투자 및 전문 지식을 활용할 수 있습니다. 개발자는 코드 및 하드웨어 설계를 새로운 Pico 2 로 손쉽게 마이그레이션할 수 있으므로 광범위한 수정 없이 향상된 성능과 확장된 기능을 활용할 수 있습니다. 우리는 다음 보드에서 라즈베리 파이 피코 2 를 테스트했으며 쉽게 작동합니다.

라즈베리 파이 컴퓨터로 원활하게 작업
당신은 항상 파이썬 3.0 지원하는 Windows, macOS 및 리눅스를 사용하여 선호하는 컴퓨터에 라즈베리 파이 피코를 연결할 수 있습니다. 그러나 라즈베리 파이 싱글 보드 컴퓨터와 연결하면 같은 팀이 설계 한 것처럼 완벽 할 것입니다. 공식 운영 체제 인 Raspberry Pi OS에는 Thonny Python IDE가 사전 설치되어 Pico 용 MicroPython 코드 작성을 시작할 준비가되었습니다. 다른 OS (Windows, macOS 또는 기타 Linux 배포) 를 사용하는 경우 https://thonny.org/IDE를 다운로드하여 설치하십시오.
더 강력한 MCU 개발 보드 듀얼 코어 ARM Cortex-M33
라즈베리 파이 피코는 듀얼 ARM Cortex-M0 + 와 함께 제공되는 반면, 새로운 피코 2 는듀얼 코어 ARM Cortex-M33그리고듀얼 코어 RISC-V 위험 3. 유연한 클로킹 시스템최대 속도 150 MHz까지 구성 가능! 이 작은 MCU에는 무려SRAM의 520 킬로바이트의 용량을 가진 외부 QSPI 플래시4 MByte및 향상된 eXecute (XIP v2). RAM 및 플래시 크기가 클수록 Raspberry Pi Pico 2 용 MicroPython 및 CircuitPython과 같은 고급 프로그래밍 언어를 작성할 수 있습니다.


【하이라이트】

라즈베리 파이의 새로운 MCU 시리즈

컴팩트하고 제품에 장착할 준비가 됨

참고:표시된 사진은 라즈베리 파이 피코, 피코 2 와 비슷합니다.
라즈베리 파이 피코 2 는 전임자의 장점을 보존하며, 상자 밖으로 모든 제품에 내장 될 준비가되어 있습니다. 사전 납땜 된 헤더가없는 버전을 선택하면 SMT (표면 마운트 기술) 준비가 된 것입니다. 라즈베리 파이 피코 2 는 40 핀 21x51 DIP (듀얼 인라인 패키지) 스타일, 1mm 두께의 PCB, 0.1 " (100mil) 관통 구멍 핀으로 확장됩니다. 핀은 castellated 회로 기판으로 PCB 가장자리까지 더 확장됩니다. 이를 통해 추가 헤더 핀 없이도 다른 PCB 보드에 납땜 할 수 있으므로 더 작고 컴팩트 한 완제품이 될 수 있습니다. 굉장해요!
좋은 예는 Cytron의메이커 파이 피코(피코 1 세대):

한편 사전 납땜 된 헤더가있는 버전은 브레드 보드 친화적이므로 학생, 제작자, 엔지니어는 개발 또는 프로토 타이핑을 위해 브레드 보드 또는 표준 PCB 보드에서 Raspberry Pi Pico 2 를 사용할 수 있습니다.
전원 및 데이터 용 USB 마이크로 B

참고:표시된 사진은 라즈베리 파이 피코, 피코 2 와 비슷합니다.
라즈베리 파이 피코 2 는 전원 및 데이터 모두에 대해 유명하고 일반적으로 사용되는 USB 마이크로 B 수용체를 통합합니다. USB 마이크로 B 케이블 만 있으면됩니다.일반적으로 Andriod 전화 또는 보조베터리 함께 제공되어 전원을 공급하고 프로그램을로드합니다. 추가 USB 대 직렬 어댑터가 필요하지 않습니다. 깔끔해!
주변 리치 MCU

라즈베리 파이 피코의 GPIO, ADC, UART, SPI, I2C
참고:표시된 사진은 라즈베리 파이 피코, 피코 2 와 비슷합니다.


라즈베리 파이 피코의 PWM 핀
참고:표시된 사진은 라즈베리 파이 피코, 피코 2 와 비슷합니다.
함께 26 GPIO (3.3V)응용 프로그램을 위해 깨진 Arduino UNO, Arduino NANO 또는 Arduino MKR Zero보다 GPIO 핀이 더 많습니다. 이 26 GPIO 중,3 은 500 ksp로 12 비트 ADC로 구성 할 수 있습니다(초당 킬로 샘플),2 x UART, 2 x SPI, 2 x I2C,그리고 최대16 x PWM 핀. 잊지 않기 위해3 프로그래밍 가능한 IO (PIO) 블록유연하고 사용자가 프로그래밍 가능한 고속 IO 주변 장치. SD 카드, VGA, DVI 및 USB 호스트와 같은 인터페이스를 에뮬레이트 할 수 있습니다.
참고:라즈베리 파이 피코 2 GPIO는3.3VDC. I/O 핀이 견딜 수 있는 최대 전압은 3.3 V입니다. I/O 핀에 3.3V 이상의 전압을 가하면 보드가 손상될 수 있습니다.
대용량 RAM 및 플래시 크기

함께4 MByte외부 QSPI 플래시 및520 KByte라즈베리 파이 피코 2 의 SRAM은 메모리가 충분하지 않다는 메시지를 표시하지 않습니다 :) 게다가, RAM 및 플래시의 크기가 크면 Raspberry Pi Pico 2 가 MicroPython, CircuitPython 또는 Javascript와 같은 고급 프로그래밍 언어로 지원 될 수 있습니다. 우리는 RTOS (실시간 운영 체제) 도있을 것이라고 믿습니다.
드래그 앤 드롭 프로그램 로드 방법
USB Micro B 리셉터를 컴퓨터에 물리적으로 연결하고 USB 1.1 PHY를RP2350 (MCU)Raspberry Pi Pico는 간단하고 간단한 프로그램로드 방법을 제공합니다. 한 드라이브에서 다른 드라이브로 파일을 복사하는 것과 같습니다. Pico는 USB 포트를 통해 컴퓨터에 연결되면 USB 대용량 저장 장치로 나타납니다! 그것은 USB 드라이브가됩니다! 코드를 작성하고 파일을 해당 USB 드라이브로 드래그하십시오. 파일이 완전히 복사되면 Pico 2 이 재부팅되어 프로그램을 실행합니다. :) 쉬운 일입니까?
CircuitPython, MicroPython, C 및 C ++ 지원

파이썬
오늘날 가장 유명하고 강력한 프로그래밍 언어 중 하나입니다. AI (인공 지능), DL (딥 러닝), 웹 및 인터넷 개발 등과 같은 많은 고급 응용 프로그램에서 사용되고 있습니다. 파이썬은 많은 대형 및 미션 크리티컬 시스템을 포함하여 전 세계 수천 개의 실제 비즈니스 응용 프로그램에서 성공적으로 사용됩니다.마이크로 파이썬은 Python 표준 라이브러리의 작은 하위 집합을 포함하고 마이크로 컨트롤러 및 제한된 환경에서 실행되도록 최적화된 Python 3 프로그래밍 언어의 효율적이고 효율적인 구현입니다. 당신은 그것을 좋아할 것입니다.
마이크로 파이썬 외에도 라즈베리 파이 피코 2 도 지원합니다회로 파이썬, C 및 C ++ 프로그래밍 언어. 자세한 내용은 C/C ++ SDK를 확인하십시오. 이러한 모든 프로그래밍 언어는 USB 대용량 저장소를 통해 Raspberry Pi Pico/2 에로드되어 파일을 다른 드라이브에 복사하는 것과 같은 간단한 드래그 앤 드롭 방법을 사용할 수 있습니다.
고급 사용자를 위한 디버거 준비
라즈베리 파이 디버그 프로브는 Raspberry Pi Pico 및 Pico 2 및 기타 호환 가능한 마이크로 컨트롤러 개발 보드를 디버깅하기 위해 설계된 다양하고 비용 효율적인 도구입니다. "플러그 앤 플레이" 디버깅에 필요한 하드웨어 및 케이블 링을 제공하는 올인원 USB-직렬 디버그 및 UART 브리지입니다. 필요한 경우 별도로 가져 오십시오 :)

유연한 전원 입력

참고:표시된 사진은 라즈베리 파이 피코, 피코 2 와 비슷합니다.
USB 마이크로 B 리셉터는 라즈베리 파이 피코 2 "실행" 을 얻기위한 주 전원 입력이며, USB 케이블을 USB 포트에 연결하기 만하면 MCU가 프로그램을 실행하는 데 필요한 전원을 공급합니다. USB 포트를 사용하지 않으려는 경우 (예: 배터리 전원 공급 장치 또는 맞춤형 제품); 걱정하지 마십시오. 라즈베리 파이 피코 2 에는 수용 가능한 유연한 온보드 벅 부스트 스위치 모드 전원 공급 장치 (SMPS) 가 함께 제공됩니다.2 에서 5VDC입력 및 RP2350 MCU가 작동하도록 안정적인 3.3V 공급 장치로 변환합니다. 정말 멋져! 핀은VSYS(핀 39). 넓은 전압 범위로 라즈베리 파이 피코 2 는 USB, 2 x AA 배터리, 2 x NiMH AA 배터리, 1x18650 리튬 이온 배터리 또는 1 x 셀 LiPo 배터리로 전원을 공급할 수 있습니다!
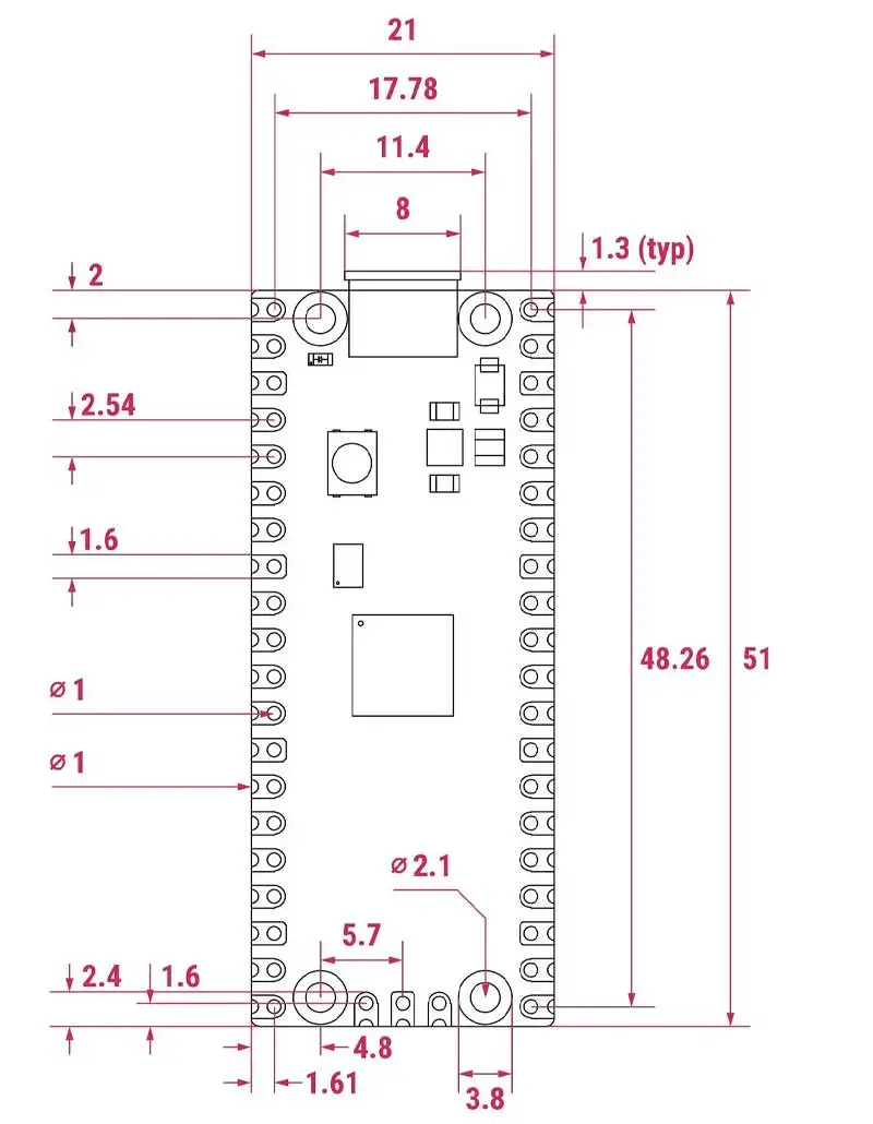
【제품 크기】


패키지 포함
Raspberry-Pi-Pico-2

Raspberry-Pi-Pico-2-Header

Raspberry-Pi-Pico-2W

Raspberry-Pi-Pico-2W-Color-Pins

Raspberry-Pi-Pico-2W-Yellow-Pin

'라즈베리파이 5' 카테고리의 다른 글
| Raspberry Pi 6에 관한 출시일, 사양 및 소문 (1) | 2025.11.25 |
|---|---|
| 10x faster pi in 3 simple step (0) | 2025.11.20 |
| Raspberry Pi에 Windows 11을 설치하는 방법 (1) | 2025.11.14 |
| 라즈베리파이 4x4 Keypad 테스트 코드 C (0) | 2025.10.15 |
| DietPi v9.17이 출시, 이미지가 이뻐서 (0) | 2025.09.25 |
| 라즈베리 파이 5 8MP 카메라 (0) | 2025.09.06 |
| 라즈베리 파이 CM5 베이스 개발 플랫폼 (0) | 2025.09.06 |
| 라즈베리파이 5 WiringPi 설치 - 최강 라이브러리 (0) | 2025.09.03 |
취업, 창업의 막막함, 외주 관리, 제품 부재!
당신의 고민은 무엇입니까? 현실과 동떨어진 교육, 실패만 반복하는 외주 계약,
아이디어는 있지만 구현할 기술이 없는 막막함.
우리는 알고 있습니다. 문제의 원인은 '명확한 학습, 실전 경험과 신뢰할 수 있는 기술력의 부재'에서 시작됩니다.
이제 고민을 멈추고, 캐어랩을 만나세요!
코딩(펌웨어), 전자부품과 디지털 회로설계, PCB 설계 제작, 고객(시장/수출) 발굴과 마케팅 전략으로 당신을 지원합니다.
제품 설계의 고수는 성공이 만든 게 아니라 실패가 만듭니다. 아이디어를 양산 가능한 제품으로!
귀사의 제품을 만드세요. 교육과 개발 실적으로 신뢰할 수 있는 파트너를 확보하세요.
캐어랩