반응형
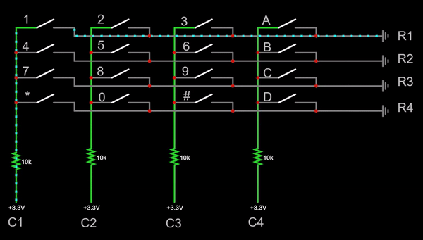
오늘은 4x4 키패드를 Raspberry Pi 4에 연결해 보겠습니다. 임베디드 프로젝트에서 키패드는 사용자 입력을 받는 데 사용됩니다. 예를 들어 계산기, ATM 키패드 등이 있습니다. 4x4, 4x3 등 다양한 유형의 키패드가 있습니다.



#include <wiringPi.h>
#include <stdio.h>
#include <stdlib.h>
#include <unistd.h>
#define ROWS 4
#define COLS 4
char keys[ROWS][COLS] = {
{'1', '2', '3', 'A'},
{'4', '5', '6', 'B'},
{'7', '8', '9', 'C'},
{'*', '0', '#', 'D'}
};
// **사용자가 라즈베리파이와 키패드를 연결한 실제 wiringPi 핀 번호로 수정해야 합니다.**
// 'gpio readall' 명령으로 확인하세요.
int rowPins[ROWS] = {1, 4, 5, 6}; // 예시: R1, R2, R3, R4 핀 (INPUT)
int colPins[COLS] = {12, 3, 2, 0}; // 예시: C1, C2, C3, C4 핀 (OUTPUT)
char pressedKey = '\0';
void init_keypad() {
for (int c = 0; c < COLS; c++) {
pinMode(colPins[c], OUTPUT);
digitalWrite(colPins[c], HIGH);
}
// 행 핀에 내부 풀업 저항 설정: 키 미입력 시 HIGH, 키 입력 시 LOW 감지
for (int r = 0; r < ROWS; r++) {
pinMode(rowPins[r], INPUT);
pullUpDnControl(rowPins[r], PUD_UP);
}
}
int findLowRow() {
for (int r = 0; r < ROWS; r++) {
if (digitalRead(rowPins[r]) == LOW) {
return r;
}
}
return -1;
}
char get_key() {
int rowIndex;
char currentKey = '\0';
for (int c = 0; c < COLS; c++) {
// 현재 열을 LOW로 설정 (활성화)
digitalWrite(colPins[c], LOW);
usleep(1000);
// 눌린 키가 있는지 확인 (LOW 신호 감지)
rowIndex = findLowRow();
if (rowIndex > -1) {
currentKey = keys[rowIndex][c];
// 디바운싱: 이미 눌려있는 키가 아닌 경우에만 처리
if (currentKey != pressedKey) {
pressedKey = currentKey;
digitalWrite(colPins[c], HIGH);
return currentKey;
}
digitalWrite(colPins[c], HIGH);
return '\0';
}
// 현재 열을 다시 HIGH로 비활성화
digitalWrite(colPins[c], HIGH);
}
// 키 떼짐 감지 (모든 열을 스캔하여 현재 눌려있는 키가 없는지 확인)
for (int c = 0; c < COLS; c++) {
digitalWrite(colPins[c], LOW);
if (findLowRow() > -1) {
digitalWrite(colPins[c], HIGH);
return '\0';
}
digitalWrite(colPins[c], HIGH);
}
if (pressedKey != '\0') {
pressedKey = '\0';
}
return '\0';
}
int main(void) {
if (wiringPiSetup() == -1) {
return 1;
}
init_keypad();
printf("Keypad test started. Press a key. (Ctrl+C to exit)\n");
while(1) {
char key = get_key();
if (key != '\0') {
printf("Key pressed: %c\n", key);
fflush(stdout);
}
delay(10);
}
return 0;
}
반응형
'라즈베리파이 5' 카테고리의 다른 글
| Raspberry Pi OS의 Cloud-init (0) | 2025.12.02 |
|---|---|
| Raspberry Pi 6에 관한 출시일, 사양 및 소문 (1) | 2025.11.25 |
| 10x faster pi in 3 simple step (0) | 2025.11.20 |
| Raspberry Pi에 Windows 11을 설치하는 방법 (1) | 2025.11.14 |
| Raspberry Pi Pico2, RP2350 기반MCU (0) | 2025.10.02 |
| DietPi v9.17이 출시, 이미지가 이뻐서 (0) | 2025.09.25 |
| 라즈베리 파이 5 8MP 카메라 (0) | 2025.09.06 |
| 라즈베리 파이 CM5 베이스 개발 플랫폼 (0) | 2025.09.06 |
취업, 창업의 막막함, 외주 관리, 제품 부재!
당신의 고민은 무엇입니까? 현실과 동떨어진 교육, 실패만 반복하는 외주 계약,
아이디어는 있지만 구현할 기술이 없는 막막함.
우리는 알고 있습니다. 문제의 원인은 '명확한 학습, 실전 경험과 신뢰할 수 있는 기술력의 부재'에서 시작됩니다.
이제 고민을 멈추고, 캐어랩을 만나세요!
코딩(펌웨어), 전자부품과 디지털 회로설계, PCB 설계 제작, 고객(시장/수출) 발굴과 마케팅 전략으로 당신을 지원합니다.
제품 설계의 고수는 성공이 만든 게 아니라 실패가 만듭니다. 아이디어를 양산 가능한 제품으로!
귀사의 제품을 만드세요. 교육과 개발 실적으로 신뢰할 수 있는 파트너를 확보하세요.
캐어랩