이 작은 로직 레벨 시프터는 4 개의 양방향 채널을 갖추고있어 서로 다른 로직 레벨에서 작동하는 장치간에 안전하고 쉬운 통신이 가능합니다. 1.5V의 낮은 신호를 18V의 높은 신호로 변환 할 수 있으며, 4 개의 채널은 I²C, SPI 및 비동기 TTL 직렬을 포함한 가장 일반적인 양방향 및 단방향 디지털 인터페이스를 지원하기에 충분합니다.
디지털 장치가 점점 더 작아지고 빨라짐에 따라 유비쿼터스 5V 로직이 3.3V, 2.5V, 심지어 1.8V와 같은 저전압 표준에 자리를 내 주면서 서로 대화하는 데 약간의 도움이 필요한 구성 요소 에코 시스템으로 이어졌습니다. 예를 들어, 5V 부품은 3.3V 신호를 하이로 읽지 못하고 3.3V 부품은 5V 신호에 의해 손상 될 수 있습니다. 이 레벨 시프터는 최대 4 개의 독립 신호에 대한 양방향 전압 변환을 제공하고, 저전압 측에서 1.5V까지 낮은 로직 레벨과 고전압 측에서 18V까지 높은 로직 레벨과 컴팩트 한 크기 사이를 변환하여 이러한 문제를 해결합니다. 브레드 보드 호환 핀 간격으로 프로젝트에 쉽게 통합 할 수 있습니다.
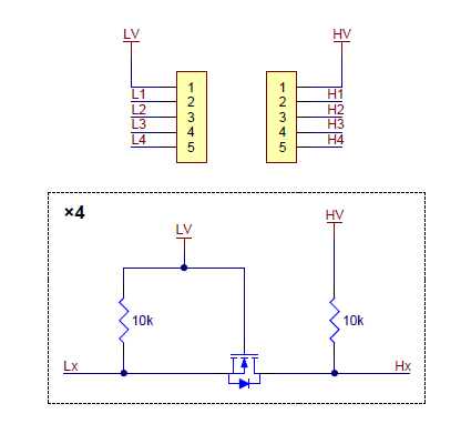
시프터의 각 측면에서 로직 하이 레벨은 해당 전원에 대한 10kΩ 풀업 저항에 의해 달성됩니다. 이는 빠른 모드 (400kHz) I²C 신호 또는 기타 유사하게 빠른 디지털 인터페이스 (예 : SPI 또는 비동기 TTL 직렬)의 적절한 변환을 허용하기에 충분한 상승 시간을 제공합니다. 더 높은 전류 소비를 희생하면서 상승 시간을 더욱 가속화하기 위해 외부 풀업을 추가 할 수 있습니다. 자세한 내용은 아래 회로도를 참조하십시오.
특징
- 이중 공급 버스 변환 :
- 저전압 (LV) 공급은 1.5V ~ 7V 일 수 있습니다.
- 고전압 (HV) 공급은 LV에서 18V까지 가능
- 4 개의 양방향 채널 작은 크기 : 0.4 인치 × 0.5 인치 × 0.08 인치 (13mm × 10mm × 2mm)
- 브레드 보드 호환 핀 간격

이 로직 레벨 컨버터에는 2 개의 공급 전압이 필요합니다. 저전압 로직 공급 (1.5V ~ 7V)은 LV 핀에 연결되고 고전압 공급 (LV ~ 18V)은 HV 핀에 연결됩니다. 적절한 작동을 위해서는 HV 전원이 LV 전원보다 높아야합니다. 로직 저전압은 Hx에서 해당 Lx로 (또는 그 반대) 직접 전달되는 반면, 로직 고전압은 신호가 Hx에서 Lx로 또는 Lx에서 Hx로 전달 될 때 HV 레벨에서 LV 레벨로 변환됩니다.
레벨 시프터 회로는 두 장치에 대한 접지 연결이 필요하지 않으므로 보드에 접지 핀이 없습니다. (경쟁하는 일부 레벨 시프터 모듈은 단순히 패스 스루 역할을하는 접지 연결을 제공합니다. 우리는 이것을 끄고 보드를 더 작게 만들기로 선택했습니다.) 레벨 시프터를 통해 연결된 두 장치는 여전히 공통 접지를 공유해야합니다.
아래 그림은 5V Arduino Uno 와 3.3V Raspberry Pi 간의 레벨 이동 TTL 직렬 연결 (RX 및 TX)을 보여줍니다.

포함 된 하드웨어: 이 보드와 함께 사용할 수 있도록 0.1 인치 피치 수 헤더 스트립 이 포함되어 있습니다. 스트립은 더 작은 조각으로 나눠서 납땜 할 수 있으므로 보드는 퍼프 보드 , 브레드 보드 또는 0.1 인치 암 커넥터 와 함께 사용할 수 있습니다 . 또는보다 컴팩트 한 설치를 위해 와이어를 보드에 직접 납땜 할 수 있습니다. 연결은 PCB 뒷면에 라벨이 부착되어 있으므로 라벨이있는면이 위를 향하도록 핀을 납땜하는 것이 더 편리 할 수 있습니다.

개략도: 로직 레벨 변환은 단일 n 채널 MOSFET과 각 채널에 대한 한 쌍의 10kΩ 풀업 저항으로 구성된 간단한 회로로 수행됩니다. Lx가 로우로 구동되면 MOSFET이 켜지고 0이 Hx를 통과합니다. Hx가 로우로 구동되면 Lx도 MOSFET의 바디 다이오드를 통해 로우로 구동되며, 이때 MOSFET이 켜집니다.
다른 모든 경우에 Lx와 Hx는 모두 해당 로직 공급 전압으로 하이 풀링됩니다. 상승 시간을 가속화하기 위해 외부 풀업을 추가 할 수 있습니다. 이 동일한 회로는 I²C 버스 레벨 시프 팅 기술에 대한 NXP의 애플리케이션 노트에 자세히 설명되어 있으며 , 이전에 MinIMU-9 와 같은 I²C 인터페이스가있는 3.3V 센서 용 캐리어 보드에서 두 3.3V 모두에서 직접 작동 할 수 있도록 사용했습니다.

참고 자료: 로직 레벨 시프터, 4 채널, 양방향
'개발자 > 부품' 카테고리의 다른 글
| 한국몰렉스 대리점 및 취급점 안내 - Molex (0) | 2021.04.28 |
|---|---|
| WJM-2210S 우진 토글스위치 2P 2단 10A Toggle Switch (0) | 2021.04.14 |
| UM66T19L 엘리제를 위하여 (0) | 2021.04.06 |
| 전류 판넬미터 연결도와 테스트 (0) | 2021.04.04 |
| 세라믹 부저 GEC17C, CERAMIC BUZZER (PASSIVE) (0) | 2021.03.10 |
| 스위치 전문 판매처 유명전자 (0) | 2020.12.07 |
| Molex 5264, 5267 커넥터 참고 (0) | 2020.11.25 |
| [AC모터] MR50 AC 싱크로너스모터/AC220V 14.4rpm/소형 ac모터 (0) | 2020.11.11 |
취업, 창업의 막막함, 외주 관리, 제품 부재!
당신의 고민은 무엇입니까? 현실과 동떨어진 교육, 실패만 반복하는 외주 계약,
아이디어는 있지만 구현할 기술이 없는 막막함.
우리는 알고 있습니다. 문제의 원인은 '명확한 학습, 실전 경험과 신뢰할 수 있는 기술력의 부재'에서 시작됩니다.
이제 고민을 멈추고, 캐어랩을 만나세요!
코딩(펌웨어), 전자부품과 디지털 회로설계, PCB 설계 제작, 고객(시장/수출) 발굴과 마케팅 전략으로 당신을 지원합니다.
제품 설계의 고수는 성공이 만든 게 아니라 실패가 만듭니다. 아이디어를 양산 가능한 제품으로!
귀사의 제품을 만드세요. 교육과 개발 실적으로 신뢰할 수 있는 파트너를 확보하세요.
캐어랩