세상에 배우지 못할 기술은 없습니다.
글도 써야 하고 팔아야 하고, 키트와 교재 제작까지 모든 것을 혼자 해야 한다. 결정을 내리고 시간을 줄이고, 비용을 아끼고, 업체를 찾고, 사람을 만나고 하는 일이다. 드러내지 않는 것의 장점이 드러내는 것보다 훨씬 많다. 조용히 평온한 시간을 보낸다.
아래 자료는 미세 먼지 보드를 제작하면서 정리한 자료들을 모았다. 아두이노 우노 R4 버전을 배우고, 실제 디지털 회로가 어떻게 만들어지는지 모든 부분을 학습하는 과정이다. 늘 하고 싶던 일이라서 성공하든 실패하든 상관은 없다. 이거 하려고 긴 시간을 기다렸다. 위치는 D:\dev-kicad\minima-nano-dust3
크기를 맞추기 위해 3번째 라우팅 작업을 했다.

구성 부부분을 표시하였다.
1. 아두이노 우노 V3 MCU
2. 리얼타임 클럭
3. 버튼 - 바운스 제거 회로 포함
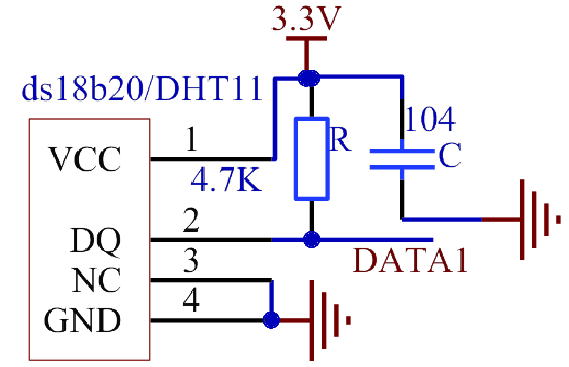
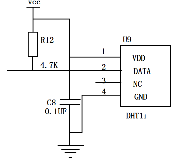
4. DHT11 온도 습도 회로
5. 미세먼지 센서 PM2008M, I2C 인터페이스, 핀 순서 중요
6. 미세먼지 센서 연결 커넥터 - [MOLEX] 5264-04
7. 0.96인치 OLED디스플레이(SSD1306)
8. 조도센서
9. Male(DC Barrel Jack Plug - Male)
각 부분을 구성하는 부품과 샘플 회로를 순서대로 표시한다.
















DC 전원 커넥터. DC 벽면 전원 공급 장치에 사용되는 일반적인 배럴형 전원 잭입니다. DC 벽면 전원 공급 장치와 호환되며 중심 극 지름이 2.1mm인 5.5mm 잭이 있습니다.
특징 :
많은 DC 벽면 전원 공급 장치와 호환됩니다.
정격 부하 : 1A / 30V (정격).
커넥터 유형 : 2.1mm / 5.5mm


'바른 생각 바른 글' 카테고리의 다른 글
| 글쓰기 코너 3 - 행사 운영 방법 (1) | 2025.04.19 |
|---|---|
| 글쓰기 코너 2 - 예시와 함께 최고의 이벤트 설명 작성하기 (4) | 2025.04.19 |
| 글쓰기 코너 1 - 교실에 글쓰기 공간을 마련하는 방법 (0) | 2025.04.19 |
| 전립선 비대증(BPH)은 나이가 들면서 많은 남성에게 발생하는 흔한 상태 (5) | 2025.04.17 |
| 청남대 울트라 마라톤 숙지 사항 (1) | 2025.04.07 |
| 지금까지 교육을 과대평가했습니다. 안타깝게도... (0) | 2025.03.28 |
| 언어는 아무것도 아닌 것 (2) | 2025.03.20 |
| 책소개 양식과 샘플 - 전자책 제공에 참고 2 (1) | 2025.03.20 |
취업, 창업의 막막함, 외주 관리, 제품 부재!
당신의 고민은 무엇입니까? 현실과 동떨어진 교육, 실패만 반복하는 외주 계약,
아이디어는 있지만 구현할 기술이 없는 막막함.
우리는 알고 있습니다. 문제의 원인은 '명확한 학습, 실전 경험과 신뢰할 수 있는 기술력의 부재'에서 시작됩니다.
이제 고민을 멈추고, 캐어랩을 만나세요!
코딩(펌웨어), 전자부품과 디지털 회로설계, PCB 설계 제작, 고객(시장/수출) 발굴과 마케팅 전략으로 당신을 지원합니다.
제품 설계의 고수는 성공이 만든 게 아니라 실패가 만듭니다. 아이디어를 양산 가능한 제품으로!
귀사의 제품을 만드세요. 교육과 개발 실적으로 신뢰할 수 있는 파트너를 확보하세요.
캐어랩