Greenhouse 원격 관리시스템 연결도 6
스마트 Greenhouse 구성품을 라즈베리파이 IO Adapter 보드에 연결하는 연결도 및 제작방법을 설명한다. 본 장의 문서는 향후 제작할 때 제작 도면과 생산 문서로 사용할 수 있도록 기술한다. 센서, 액츄에이터, 전원 관련 구성품은 각 장에서 기술한 부품 이름을 그대로 사용한다. 단순한 구성에도 불구하고 센서라든가 액츄에이터 등 많은 부품을 연결해야 한다.
개발 당시 문서화하지 않으면 나중에는 빼먹든가 두 배 이상으로 더 노력해야 원하는 수준의 문서 상태에 이를 수 있으니 작업하고 구현하는 순간에 문서화하고 사진으로라도 남기는 버릇을 들이는 것이 좋다. 요즈음은 상당히 자동화되고 문서화하기도 쉬우니 꼭 습관을 들이도록 하자.
Greenhouse 원격관리 시스템을 구현하는 전체 포스팅은 아래와 같이 진행합니다. 참고하세요.
Greenhouse 원격 관리시스템 센서와 액츄에이터 3
Greenhouse 원격 관리시스템 소프트웨어 테스트 7
Greenhouse 원격 관리시스템 서버프로그램과 카메라 8
6.1 전체 구성 Block Diagram
앞에서 설명한 Greenhouse 원격관리 시스템을 이루는 전체 구성품들의 연결 Block도를 설명한다.

6.1 전체 구성품 배치도
전체 윤곽을 알아볼 수 있도록 전체 완성품의 연결을 보여주든가 전체 구성 사진을 넣는 것이 필요하다. 여기서는 생략하기로 한다.
6.3 케이스 외부 연결도
Greenhouse 원격관리 시스템의 외부 연결은 아래 케이스애 연결된 구성품을 나타내는 사진을 참고한다. 조립 후 결과가 반드시 아래와 같을 이유는 없다. 배치와 구성은 개발자가 원하는 형태로 구성할 수 있으며 필요한 구성품의 조립에 필요한 부품과 제작방법을 참고하기 바란다.



6.4 IO 보드 파워서플라이 출력 전원 연결도
Greenhouse 원격관리 시스템의 전원은 전원 공급기 2개를 사용한다고 앞에서 설명하였다. 전원공급기 VSF50-BHW은 시스템 전원과 릴레이, SSR을 통해 전원을 공급하는 전원으로 사용한다. RD-125B 전원공급기는 전류를 많이 사용하는 개폐기 전원 공급용으로 사용한다.
아래는 전원 공급기에서 출력되는 전원이 IO 보드에 연결되는 배선을 보여준다. 다른 부품들을 연결하기 전에 아래와 같이 전원 배선을 납땜을 해야 한다.

6.5 액츄에이터 연결도
Greenhouse 원격관리 시스템의 액츄에이터를 연결하는 연결도다. SSR은 작은 구동전원에 ON/OFF가 가능하므로 마이크로 프로세서에 직접 연결해 사용할 수 있다. SSR1~SSR3 제어는 워터펌프, 팬, 조명에 220V 전원을 공급한다. Relay 1과 Relay 2는 제어 순서를 바꿔 24V, 3A 전원을 개폐기로 공급하며 개폐기의 방향을 제어한다.

액츄에이터를 연결하는 커넥터 리스트를 아래에 나타낸다. J28, J29, J30, 31, J36의 커넥터 출력은 전원공급기 VSF50-BHW에서 나오는 DC 24V 전원과 GND를 사용하여 SSR과 릴레이를 구동시킨다.
|
액츄에이터 |
커넥터 연결 |
|
워터펌프 |
J28 |
|
팬 |
J29 |
|
개폐기 |
J30, J31 |
|
조명 |
J36 |
6.6 개폐기 연결도
Greenhouse 원격관리 시스템의 개폐기는 Greenhouse의 보온과 환기를 위해 외부와 접한 면에 설치되어 열거나 닫는 기능을 하는 모터 장치이다. 따라서 개폐기는 동작 ON/OFF 기능뿐만 아니라 순방향, 역방향 혹은 열림, 닫힘 기능을 수행해야 한다. 시스템에서는 두 개의 릴레이를 사용하여 구현하였다. 구현 방법을 이미지와 연결도를 통해 상세히 설명한다.
아래 그림을 참고하면 정방향, 역방향을 제어하는 방법을 쉽게 이해할 수 있다. 초기 상태로 P1에 신호를 인가하지 않을 경우 모터는 정지한 상태를 유지한다. 이 상태에서 전원을 인가하면 모터는 그대로 동작한다. (즉, 정방향이든, 역방향이든 회전하게 된다.) 다음으로 P1에 신호를 인가하면 이전과는 다른 방향으로 제어가 되고 이때 전원을 인가하면 모터의 회전은 반대로 동작한다. 이런 원리로 릴레이 2 개를 사용하여 개폐기의 정방향, 역방향 회전을 구현한다.

아래는 실제 구현한 릴레이와 연결도를 성명한다. 7장의 개폐기 테스트 코드를 참조하여 이해하면 쉽게 구현이 가능할 것이다.
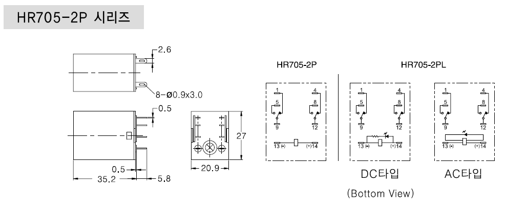
우선 MY-2SL 릴레이의 핀 구성을 살펴보자. 아래 그림은 기구 Dimension 과 Bottom View 핀 구성을 나타낸다. 즉 13번, 14번으로 전원이 공급이 안될 경우는 초기 상태인 9번 1번이 연결되고, 4번 12번이 연결되어 있다. 만약 13번, 14번으로 DC 24V 전원을 인가하게 되면 9번 5번이 연결되고, 8번 12번이 연결될 것이다.


아래 그림은 소켓과 릴레이 아랫면의 핀 번호를 보여준다. 이 번호를 기준으로 연결을 하면 두 개의 릴레이를 제어하여 개폐기를 정방향과 역방향으로 동작시킬 수 있다.

아래는 릴레이 2개를 연결한 배선도이다. I/O 입출력 보드의 J31, J30 출력(DC 24V, 500mA)은 릴레이의 코일에 전원을 공급하여 릴레이 출력을 제어한다.

6.7 스위치 연결도
Greenhouse 원격관리 시스템의 외부에서 제어하는 스위치는 5개로 구성된다. 자동 수동 모드를 선택하는 스위치와 수동모드에서 워터펌프, 팬, 개폐기, 조명을 제어하는 스위치 4개로 구성된다.
6.7.1 스위치의 배치와 외관도면
스위치의 배치와 외관 이미지는 아래와 같다. 스위치의 종류와 기능을 설명하면 아래와 같다.

1. 작동모드 선택 스위치
작동 모드 선택 스위치는 자동모드와 수동모드를 선택하는 스위치다. 자동모드를 선택하면 아래 각각의 액츄에이터를 동작시키는 스위치들은 영향을 미치지 않는다. 즉, 자동모드에서 시스템은 Wi-Fi를 통한 네트워크 연결을 통해 제어된다. 또한 이미 예약된 설정값을 가지고 동작한다. 수동모드로 설정을 하면 아래 각각의 액츄에이터를 ON/OFF 할 수 있다.
2. 조명 스위치
Greenhouse의 전등 조명을 ON/OFF 하는 스위치이다. 마찬가지로 수동모드일 때만 제어가 가능하다.
3. 워터펌프 스위치
Greenhouse의 워터펌프(관수 모터)를 ON/OFF 하는 스위치이다. 마찬가지로 수동모드일 때만 제어가 가능하다.
4. 팬 스위치
Greenhouse의 공기순환 팬을 ON/OFF 하는 스위치이다. 마찬가지로 수동모드일 때만 제어가 가능하다.
5. 개폐기 스위치
Greenhouse의 개폐기를 열고 닫는 스위치이다. 방향은 선택적으로 사용이 가능하다. 열고 닫는다든가, 시계 방향 혹은 시계 반대방향 회전이 가능하다. 마찬가지로 수동모드일 때만 제어가 가능하다.
6.7.2 스위치 외형 도면과 위치
시스템에 사용된 스위치는 2종류의 스위치다. 작동 모드 선택 스위치와 켜기 끄기 스위치는 KDS-P2M1 스위치를 사용하고, 개폐기 동작 스위치는 KDS-P3M2 스위치를 사용하였다. 스위치의 외형 도면과 내부 구성을 아래에 나타낸다. 두 스위치 모두 외형 도면과 조립순서, 배선단자 터미널은 동일한 형태이다.

6.7.3 조립 순서 및 배선단자 터미널 기구도면



6.7.4 뒷면 스위치 이미지와 연결도
케이스에 조립된 스위치 뒷면 이미지를 보여준다.

제작할 때 각각의 스위치 입 출력 단자에 외부 4.7K 풀업 저항을 달아서 제작했는데 입력 핀에 풀업을 설정해서 제어하는 방법은 숙제로 남겨둔다.
|
스위치 기능 |
I/O 보드 연결 커넥터 |
|
작동모드 |
ADC1, J4 |
|
조명 |
DIN0, J9 |
|
워터펌프 |
DIN3, J12 |
|
팬 |
DIN4, J13 |
|
개폐기 Open |
DIN1, J10 |
|
개폐기 Close |
DIN5, J14 |
아래 사진은 각 스위치 조작할 경우 Pull up 저항을 달아 OFF 상태에서 0을 읽고, ON 상태에서 1을 읽어 선택된 액츄에이터를 동작시키기 위한 스위치 연결 그림을 나타낸다. 스위치 작업할 경우 참고하기 바란다.


6.8 센서 연결도
Greenhouse 원격관리 시스템의 각 센서를 연결하는 연결도를 아래에 나타낸다. 시스템에서 사용하는 센서는 조도센서, 온도 습도센서, 강우 센서, 풍속계를 사용한다. 센서의 연결은 센서라인 색을 정확히 연결해야 한다. 5장 3절의 센서 사양을 참고하여 연결하고 여기서는 케이스에 연결된 센서 입력 이미지와 I/O 어댑터 보드에 연결된 위치를 설명하기로 한다.

센서 연결에 따른 커넥터와 전원 구성을 표로 나타낸다. 전원은 전원 공급기 VSF50-BHW 전원을 사용한다.
|
센서 |
I/O 보드 연결 커넥터 |
전원 연결 |
|
조도센서 |
ADC0, J3 |
DC 5V |
|
온도 습도 센서 |
DIN2, J11 |
DC 5V |
|
강우센서 |
ADC3, J6 |
DC 24V |
|
풍속계 |
ADC2, J5 |
DC 24V |


6.9 케이스 입 출입 홀 제작
Greenhouse 원격관리 시스템의 스위치와 센서들 그리고 액츄에이터 전원 연결은 모두 케이블 그랜드 KA-PG7, KA-PG9, KA-PG11을 사용하여 연결한다. 즉 케이스에 접속 Hole을 사이즈대로 뚫고 케이블 그랜드를 통해 센서 입력선과 전원 출력선을 뽑아 체결하는 방식이다. 아래에 케이스 작업시 사용된 케이블 그랜드의 외형 치수도를 첨부한다.

시스템의 모든 외부 연결 센서와 출력 라인의 부품들을 케이스에 연결하기 위한 작업에 필요한 Hole 사이즈(지름)와 필요한 케이블 그랜드 크기를 아래에 표로 나타내었다.
|
구성품 |
Hole 사이즈(Φ) |
케이블 그랜드 사용 |
|
온도 습도 센서 |
13 |
센서 자체 연결 |
|
조도센서 |
13 |
PG7 |
|
작동모드 설정 스위치 |
16 |
스위치 커넥터 |
|
조명 스위치 |
16 |
스위치 커넥터 |
|
워터펌프 스위치 |
16 |
스위치 커넥터 |
|
팬 스위치 |
16 |
스위치 커넥터 |
|
개폐기 스위치 |
16 |
스위치 커넥터 |
|
주전원 공급 연결 |
19 |
PG11 |
|
워터펌프 |
19 |
PG11 |
|
팬모터 |
19 |
PG11 |
|
개폐기 |
19 |
PG11 |
|
조명 |
19 |
PG11 |
|
네트워크(LAN) |
21 |
연결 커넥터 |
|
강우센서 |
13 |
PG7 |
|
풍향센서 |
13 |
PG7 |
6.10 시스템 제작 시 주의할 점과 보완 사항을 정리한다.
Greenhouse 원격관리 시스템 제작시 주의할 점을 아래에 기술한다.
1. 메인 전원을 케이스를 열고 누전 차단기 전원을 ON/OFF 한다. 케이스에 메인 전원 ON/OFF 스위치를 다는 것을 고려한다.
2. 찬넬 등을 바닥에 설치하여 선을 가지런히 정렬할 수 있는 방안을 고려한다.
3. 개폐기와 같이 전원을 많이 사용하는 액츄에이터를 여러 개 사용할 경우 어떻게 배선 처리를 하고 제어를 할 것인지 고려해야 함.
여기까지 GreenHouse 원격관리 시스템의 전체 연결 구성을 살펴보았다. 이제 놀러 나간다. 인간은 놀기 위해 태어난 존재라고 생각한다. 일은 놀고, 먹고, 사랑하고 나서 남는 시간에 한다. 다음 시간에는 시스템의 소프트웨어에 대해 이야기한다. 아마도 가장 재미있는 포스팅으로 설명할 것도 제법 많이 있다.
'개발자 > 스마트팜' 카테고리의 다른 글
| 스마트팜 2차 실행 파일 만들기 (1) | 2020.10.30 |
|---|---|
| Greenhouse 원격 관리시스템 안드로이드 앱 9 (0) | 2020.08.25 |
| Greenhouse 원격 관리시스템 서버프로그램과 카메라 8 (0) | 2020.08.24 |
| Greenhouse 원격 관리시스템 소프트웨어 테스트 7 (0) | 2020.08.21 |
| Greenhouse 원격 관리시스템 전원부 5 (0) | 2020.08.19 |
| Greenhouse 원격 관리시스템 액츄에이터 4 (0) | 2020.08.18 |
| Greenhouse 원격 관리시스템 센서와 액츄에이터 3 (0) | 2020.08.17 |
| Greenhouse 원격관리시스템 Hardware 2 (0) | 2020.08.14 |
취업, 창업의 막막함, 외주 관리, 제품 부재!
당신의 고민은 무엇입니까? 현실과 동떨어진 교육, 실패만 반복하는 외주 계약,
아이디어는 있지만 구현할 기술이 없는 막막함.
우리는 알고 있습니다. 문제의 원인은 '명확한 학습, 실전 경험과 신뢰할 수 있는 기술력의 부재'에서 시작됩니다.
이제 고민을 멈추고, 캐어랩을 만나세요!
코딩(펌웨어), 전자부품과 디지털 회로설계, PCB 설계 제작, 고객(시장/수출) 발굴과 마케팅 전략으로 당신을 지원합니다.
제품 설계의 고수는 성공이 만든 게 아니라 실패가 만듭니다. 아이디어를 양산 가능한 제품으로!
귀사의 제품을 만드세요. 교육과 개발 실적으로 신뢰할 수 있는 파트너를 확보하세요.
캐어랩