Greenhouse 원격 관리시스템 센서를 알아보자. 이 장에서 센서와 액츄에이터 전체를 설명하려고 한다. 혹시 액츄에이터까지 설명을 하지 못할 경우 다음 포스팅을 참고한다.
Greenhouse 원격관리 시스템을 구현하는 전체 포스팅은 아래와 같이 진행합니다. 참고하세요.
Greenhouse 원격 관리시스템 센서와 액츄에이터 3
Greenhouse 원격 관리시스템 소프트웨어 테스트 7
Greenhouse 원격 관리시스템 서버프로그램과 카메라 8
5.3.1 온 습도 센서 – MQ3005
Greenhouse 원격 관리시스템의 온 습도센서는 센서는 Maxdetect사의 MQ 시리즈 온습도 센서를 사용한다. 주거용 건물, 냉난방 공조 시스템 상태에서 벽에 부착하여 정확한 상대습도와 온도를 확인할 수 있다. 기술적인 Specification을 아래에 나타낸다. 원격관리 시스템에서 선택된 사양은 굶은 글씨로 표시하였다.
MQ3005 Technical Specification
|
Power supply |
12~36V DC (24V DC) |
|
Humidity working range |
0..100%RH |
|
Humidity sensing element |
Polymer humidity capacitor |
|
Output for humidity |
0~5V DC or 0~10V DC or 4~20mA |
|
Accuracy of humidity |
+-2%RH(10-95%RH, at 25Celsius); <+-5%RH(-40..80Celsius) |
|
Repeatability |
+-0.3%RH |
|
Hysteresis |
+-0.3%RH |
|
Sensitivity for humidity |
0.1%RH |
|
Temperature sensor |
DS18B20 |
|
Accuracy of temperature |
+-0.3Celsius(at 25Celsius) |
|
Output for temperature |
0~5V DC or 0~10V DC or 4~20mA |
|
Temperature working range |
Customer can select temperature range by dial-switches on PCB board: 0~50Celsius, -20~80Celsius, -40~60Celsius |
|
Storage temperature range |
-40..80Celsius |
|
Case |
ABS |
|
Electrical connection |
Screw connector( Max1.5mm2) |
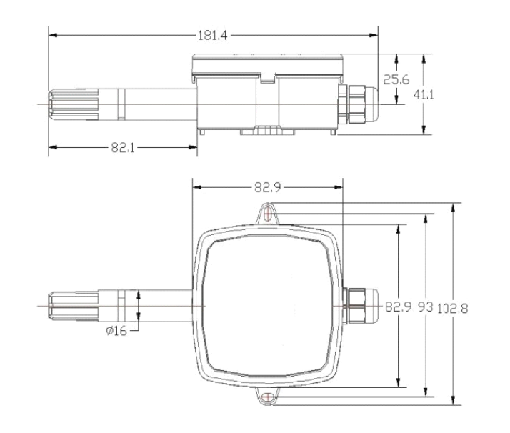
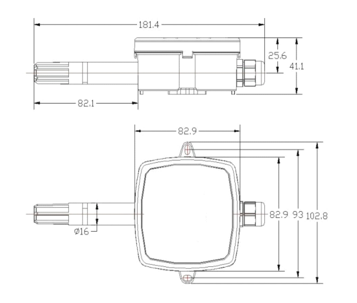
MQ3005 온 습도 센서의 센서의 외관 이미지를 아래에 나타낸다.



MQ3005 온 습도 센서의 출력 핀은 4 Pin으로 빨, 검, 노, 흰색 각각은 전원, GND, 습도, 온도 출력을 나타낸다. 따라서 센서의 출력부가 시스템의 IO 보드와 연결도를 아래에 나타내었다.


5.3.2 조도센서(광센서) - AMM-ILLU001
Greenhouse 원격 관리시스템의 조도센서(광센서, 빛 센서)는 (주)아몬텍의 AMM-ILLU001(광센서)를 사용한다. 조도센서의 외관 이미지를 나타내었다.

AMM-ILLU001 광센서의 상세 Specification
|
Remote I/O Com VCC 출력 |
DC 5V |
|
|
Remote I/O A/D 입력범위 |
Analog |
Digital |
|
0~ 2.56V |
0 ~ 1023 |
|
|
Analog : Digital |
0.0025V : 1 |
|
|
광센서 |
사용 전압 |
DC +5V |
|
Measuring range |
0 ~ 640Lux |
|
|
Analog INPUT range |
0 ~ 2.56V |
|
|
Analog INPUT |
0.4V = 100Lux 0.8V = 200Lux = 2.56V = 640Lux |
|
|
Digital OUTPUT range |
0 ~ 1023 |
|
|
Digital OUTPUT |
160 = 100Lux 320 = 200Lux 1024 = 640Lux |
|
|
조도 계산 공식 조도(Lux) = (Digital OUTPUT * 0.0025) /1.6 |
||
광센서와 IO 보드와 연결도는 아래에 나타내었다. 주의할 점은 센서 출력과 GND가 같은 검은색이고 실드 된 굵은 검은선이 GND이므로 잘 구별해야 한다.

5.3.3 강우 센서(우적 센서) - BSR-307
강우 센서는 외부에 비가 오는 것을 감지하여 알려주는 센서이다. 우선 강우 센서의 외관 이미지는 아래와 같다. 강우센서의 상세 기능을 설명한다.

1) 빗물(雨) 감지 기능 : 본체 상부의 빗물 감지판에 빗방울이 떨어져 감지선의 양극 사이가 물기로 채워지면 비가 오는 것으로 판단(간주)한다. 상세한 특징은
○ 감도 조정 손잡이를 돌려 감도를 조절할 수 있습니다.
○ 빗물 감지 시 경보음이 발생됩니다.
○ 빗물감지 시 감지판을 건조하기 위하여 내부의 히터(Heater)가 작동됩니다.
○ 밑면의 표시 램프에 빗물감지 정보를 각각 다른 색으로 표시합니다.
○ 주간/야간을 구별하여 빗물 감지판의 온도를 유지합니다.
○ 상단에 새(조류)가 앉는 것을 방지하는 핀이 있습니다
2) 외부 온도 감지 기능 본체 밑면의 온도센서가 온도를 감지합니다. 본 센서는 그린하우스의 외부에 설치되는 것이므로 외부 온도 감지용으로 사용할 수 있습니다.
- RS232C통신 기능(4800.N.9.1 사용)
- 코드 길이 5m
- 사용 전압 : DC 24~30V


강우 센서와 IO 보드 연결도는 아래와 같다.

5.3.4 풍속계
風速計, anemometer는 바람의 세기 혹은 속도를 측정하는 데 사용되는 도구다. 같은 '바람의 방향을 감지하는 도구'인 풍향계와 세트로 설치되거나 아예 합쳐지는 경우가 많다. 측정 목적에 따라 평균 풍속계와 순간 풍속계로 나뉜다.
풍속계는 측정 원리에 따라 3가지로 분류된다.
회전형 풍속계 우리가 흔히 풍속계 하면 떠올리는 것. 반구 형태의 컵을 회전하는 가지 3 ~4개의 끝에 붙인 형태. 공기의 저항을 이용한 것으로, 반구 형태인 이유는 컵의 한쪽에만 공기 저항을 최대화하고 다른 쪽은 최소화하여 회전이 원활하게 되도록 하기 위함이다.
풍차형 풍속계 프로펠러를 설치하여 그 기계적 운동을 통해 풍속을 측정하는 기구. 바람의 방향에 따라 효율성이 달라진다는 단점 때문에 휴대용으로 사용하거나 풍향계와 합쳐서 사용한다.
피토관 풍속계 기압의 차이를 피토관으로 측정하여 풍속을 알아내는 기구. 피토관 항목을 보면 알겠지만, 오차가 생기는 변수가 많아서 일상생활에선 잘 쓰이지 않고, 주로 항공기에 사용된다.
열선 풍속계 백금 같은 걸로 만든 금속선에 전류를 공급하여 따뜻하게 하고 바람을 닿게 한 뒤 금속선이 바람에 의해 냉각되면 그 냉각의 정도를 측정하여 바람의 속도를 구하는 기구. 바람의 온도에 따라 측정값이 다르기 때문에 이것 역시 일상 생활에선 쓰이지 않는다. 여기서 사용되는 풍속계는 Wind Speed Sensor Voltage Type(0-5V) SKU:SEN0170 제품이다. 본 제품에 대한 상세 사양과 기능은 다음 링크를 참고한다.


풍속계 상세 사양
|
Specification |
Feature |
|
Style: three cups Material: aluminium alloy The mode of its output signal:0-5V(Voltage signal) supply voltage: DC 9-24V Power consumption:Voltage MAX≤0.3W Start wind speed:0.4-0.8m/s resolution:0.1m/s Effective wind speed measurement range:0-30m/s System error:±3% Transmission distance:More than 1000m Transmission medium:Cable transmission Connection mode:Three wire system Working temperature:-40℃~80℃ Working humidity: 35%~85% |
High hardness Corrosion protection Waterproofness High precision |
참고 연결도 풍속계의 입출력 선은 4가지 선이 있다. 색상에 따른 연결은 아래와 같이 하고 연결도를 아래에 나타내었다.
|
Red ------ +9-24V Black ---- GND Yellow --- voltage signal Blue ----- current signal |


풍속계 테스트를 위해 샘플 코드를 아래에 올려둔다.
/*
Connect the voltage signal wire to Arduino analog interface:
Yellow Cable<---->A0
*/
void setup()
{
Serial.begin(9600);
}
void loop()
{
int sensorValue = analogRead(A0);
float outvoltage = sensorValue * (5.0 / 1023.0);
Serial.print("outvoltage = ");
Serial.print(outvoltage);
Serial.println("V");
int Level = 6*outvoltage;//The level of wind speed is proportional to the output voltage.
Serial.print("wind speed is ");
Serial.print(Level);
Serial.println(" level now");
Serial.println();
delay(500);
}
풍속계의 기구 도면을 아래에 나타낸다.


풍속계 스피드에 따른 출력 전압 테이블 - Relationship between Speed and Output value 값을 구하는 공식은 Formula: V=6*U
Formula: V=6*U
|
Wind Speed |
Value |
|
1 |
0.17 |
|
2 |
0.33 |
|
3 |
0.5 |
|
4 |
0.67 |
|
5 |
0.83 |
|
6 |
1 |
|
7 |
1.17 |
|
8 |
1.33 |
|
9 |
1.5 |
|
10 |
1.67 |
|
11 |
1.83 |
|
12 |
2 |
|
13 |
2.17 |
|
14 |
2.33 |
|
15 |
2.5 |
|
16 |
2.67 |
|
17 |
2.83 |
|
18 |
3 |
|
19 |
3.17 |
|
20 |
3.33 |
|
21 |
3.6 |
|
22 |
3.67 |
|
23 |
3.83 |
|
24 |
4 |
|
25 |
4.17 |
|
26 |
4.33 |
|
27 |
4.5 |
|
28 |
4.67 |
|
29 |
4.83 |
|
30 |
5 |
여기까지 올리고 놀러 나간다. 설명은 적고 이미지가 많아서 걱정인데... 예제 소스코드를 추가해야 한다. 예상대로 액츄에이터까지는 올리지 못한다. 어째서 예감은 빗나가지가 읺는 것인지? 다음 포스팅에 액츄에이터 설명을 이어간다.
'개발자 > 스마트팜' 카테고리의 다른 글
| Greenhouse 원격 관리시스템 소프트웨어 테스트 7 (0) | 2020.08.21 |
|---|---|
| Greenhouse 원격 관리시스템 연결도 6 (0) | 2020.08.20 |
| Greenhouse 원격 관리시스템 전원부 5 (0) | 2020.08.19 |
| Greenhouse 원격 관리시스템 액츄에이터 4 (0) | 2020.08.18 |
| Greenhouse 원격관리시스템 Hardware 2 (0) | 2020.08.14 |
| Greenhouse 원격관리시스템 개요 1 (0) | 2020.08.13 |
| Greenhouse 원격 관리시스템 체험관 구성 (0) | 2017.12.19 |
| 실제로 적용 가능한 Smart Greenhouse 설치 - IoT 사업단 (0) | 2017.12.04 |
취업, 창업의 막막함, 외주 관리, 제품 부재!
당신의 고민은 무엇입니까? 현실과 동떨어진 교육, 실패만 반복하는 외주 계약,
아이디어는 있지만 구현할 기술이 없는 막막함.
우리는 알고 있습니다. 문제의 원인은 '명확한 학습, 실전 경험과 신뢰할 수 있는 기술력의 부재'에서 시작됩니다.
이제 고민을 멈추고, 캐어랩을 만나세요!
코딩(펌웨어), 전자부품과 디지털 회로설계, PCB 설계 제작, 고객(시장/수출) 발굴과 마케팅 전략으로 당신을 지원합니다.
제품 설계의 고수는 성공이 만든 게 아니라 실패가 만듭니다. 아이디어를 양산 가능한 제품으로!
귀사의 제품을 만드세요. 교육과 개발 실적으로 신뢰할 수 있는 파트너를 확보하세요.
캐어랩