TomatoCube i2C IR 라인 센서 모듈은 로봇이 따라갈 가시 경로를 감지하는 데 매우 저렴하면서도 간단하고 안정적인 방법을 제공합니다. 센서 모듈의 감도를 조절할 수 있는 온보드 가변 포텐시오미터가 내장되어 있습니다.

각 적외선 센서 소자는 송신기와 수신기로 구성됩니다. 송신기는 지속적으로 적외선 빔을 방출하고, 반사면(지면의 흰색/반사 재질)에 닿으면 적외선 빔이 반사되어 해당 센서의 수신기로 돌아옵니다. 센서 모듈은 i2C Grove 연결을 통해 반사된 적외선 신호에 해당하는 5비트 값을 반환합니다.

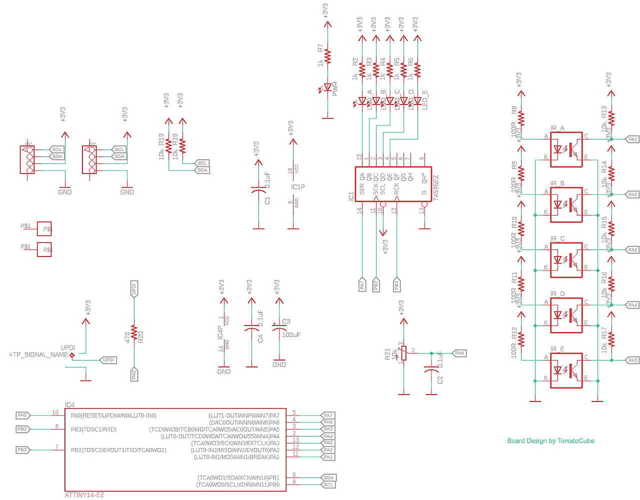
- 센서 모듈 MCU/IC: Attiny1614
- 인터페이스 유형: i2C 인터페이스
- 범위: 0.5cm ~ 3cm
센서 모듈의 펌웨어는 i2C IR 라인 센서 모듈의 i2c 주소를 0x17(기본값)로 설정했습니다.
- 5채널 IR 라인 센서를 I2C Grove 확장 보드를 통해 micro:bit에 연결하세요.
- 센서 보드의 LED를 사용하여 내장된 가변 저항기로 감도를 보정합니다.
- MakeCode 에디터에서 프로젝트에 다음 PXT 확장 프로그램을 추가하세요: https://github.com/TomatoCube18/pxt-tc-i2c_5chLineSensor
- 다음은 micro:bit 매트릭스 디스플레이에 감지 결과를 표시하는 샘플 코드입니다. https://makecode.microbit.org/_LPaJKWa0zXxK
I2C_LineSensor
Made with ❤️ in Microsoft MakeCode for micro:bit.
makecode.microbit.org

'개발자 > 부품' 카테고리의 다른 글
| ESP32-S3 기반 AI 비전 및 LLM 장치 (0) | 2026.01.27 |
|---|---|
| TL431 정밀 션트 레귤레이터 (0) | 2026.01.25 |
| 18650 3.7V 리튬이온 배터리홀더 1구 PCB DIP (0) | 2026.01.24 |
| BME688 소형 4-in-1 환경 센서 - 표면 실장 부품 SMD 타입 (1) | 2026.01.24 |
| ESP32의 5GHz Wi-Fi (0) | 2026.01.23 |
| USB 플래시 드라이브 형태의 ESP32-C6 개발 키트 (0) | 2026.01.20 |
| EnviroGo ESP32-S3 웨어러블 환경 모니터 (1) | 2026.01.20 |
| CrowPanel ESP32 HMI 3.5인치 디스플레이 (0) | 2026.01.19 |
취업, 창업의 막막함, 외주 관리, 제품 부재!
당신의 고민은 무엇입니까? 현실과 동떨어진 교육, 실패만 반복하는 외주 계약,
아이디어는 있지만 구현할 기술이 없는 막막함.
우리는 알고 있습니다. 문제의 원인은 '명확한 학습, 실전 경험과 신뢰할 수 있는 기술력의 부재'에서 시작됩니다.
이제 고민을 멈추고, 캐어랩을 만나세요!
코딩(펌웨어), 전자부품과 디지털 회로설계, PCB 설계 제작, 고객(시장/수출) 발굴과 마케팅 전략으로 당신을 지원합니다.
제품 설계의 고수는 성공이 만든 게 아니라 실패가 만듭니다. 아이디어를 양산 가능한 제품으로!
귀사의 제품을 만드세요. 교육과 개발 실적으로 신뢰할 수 있는 파트너를 확보하세요.
캐어랩