교육용 싱글보드 컴퓨터로 유명한 영국 라즈베리 파이(Raspberry Pi)가 새로운 라즈베리 파이 카메라 모듈3(Camera Module3)을 출시했다. 플랫폼이 어떻게 발전하는 지를 보여주는 사이트가 아두이노와 라즈베리파이 플랫폼이다.
라즈베리 파이 카메라 모듈은 지난 2013년 모듈1이 처음 선보였으며, 이후 소니 800만화소 IMX219 센서를 장착한 카메라 모듈2가 2016년 출시됐고 2023년 1월 카메라 모듈3 신제품이 등장했다.
라즈베리 파이용 신형 카메라 모듈3는 기존 카메라 모듈이 고정 초점이었던 것에 비해 자동으로 초점을 맞춰 주는 자동 초점 기능을 제공하며 5cm 근접 촬영과 광각 촬영, 가시 광선 및 적외선 옵션도 제공한다.
라즈베리 파이는 소니와 협력해 카메라 모듈3에 1200만화소 소니의 이면조사형 IMX708 센서를 채택했다. 이를 통해 더 선명하고 높은 명암비를 가진 HDR(High Dynamic Range) 이미지 촬영까지 지원한다. 여기서는 새로 출시한 라즈베리파이 케메라의 특징을 알아본다.
라즈베리 파이 카메라 모듈 V3 Standard, NoIR, Wide, NoIR Wide
라즈베리파이 카메라 모듈 3은 라즈베리파이의 콤팩트 카메라입니다. HDR을 탑재한 IMX708 1200만 화소 센서를 탑재해, 위상 검출 오토 포커스를 탑재하고 있습니다. 카메라 모듈 3은 표준 및 광각 변형으로 제공되며, 적외선 차단 필터의 유무에 관계없이 모두 사용할 수 있습니다.

카메라 모듈 3은 풀 HD 비디오 촬영과 스틸 사진 촬영에 사용할 수 있으며 최대 3메가 픽셀의 HDR 모드를 갖추고 있습니다. 카메라 모듈 3의 고속 오토 포커스 기능을 포함한 libcamera 라이브러리에서 완전히 동작 지원: 초보자도 사용하기 쉽고 고급 사용자도 충분히 사용할 수 있습니다. 카메라 모듈 3은 모든 Rasberry Pi 컴퓨터와 호환됩니다.(필요한 FPC 커넥터가 없는 초기 Rasberry Pi Zero 모델은 제외합니다. 이후 라즈베리파이 제로 모델에는 별도 판매되는 어댑터 FPC가 필요합니다.)
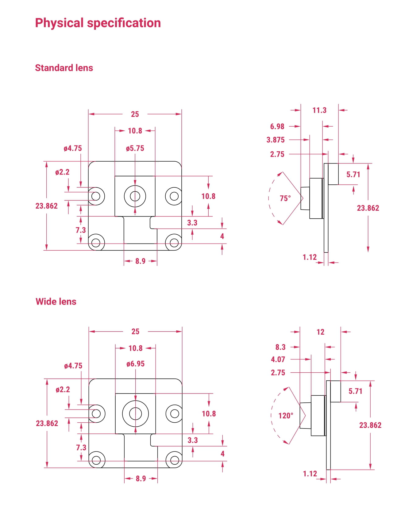
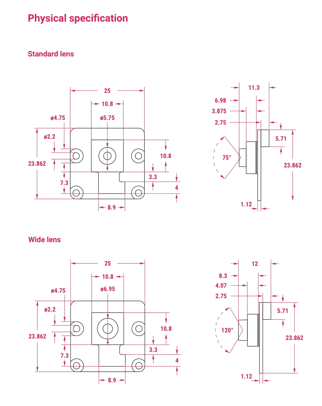
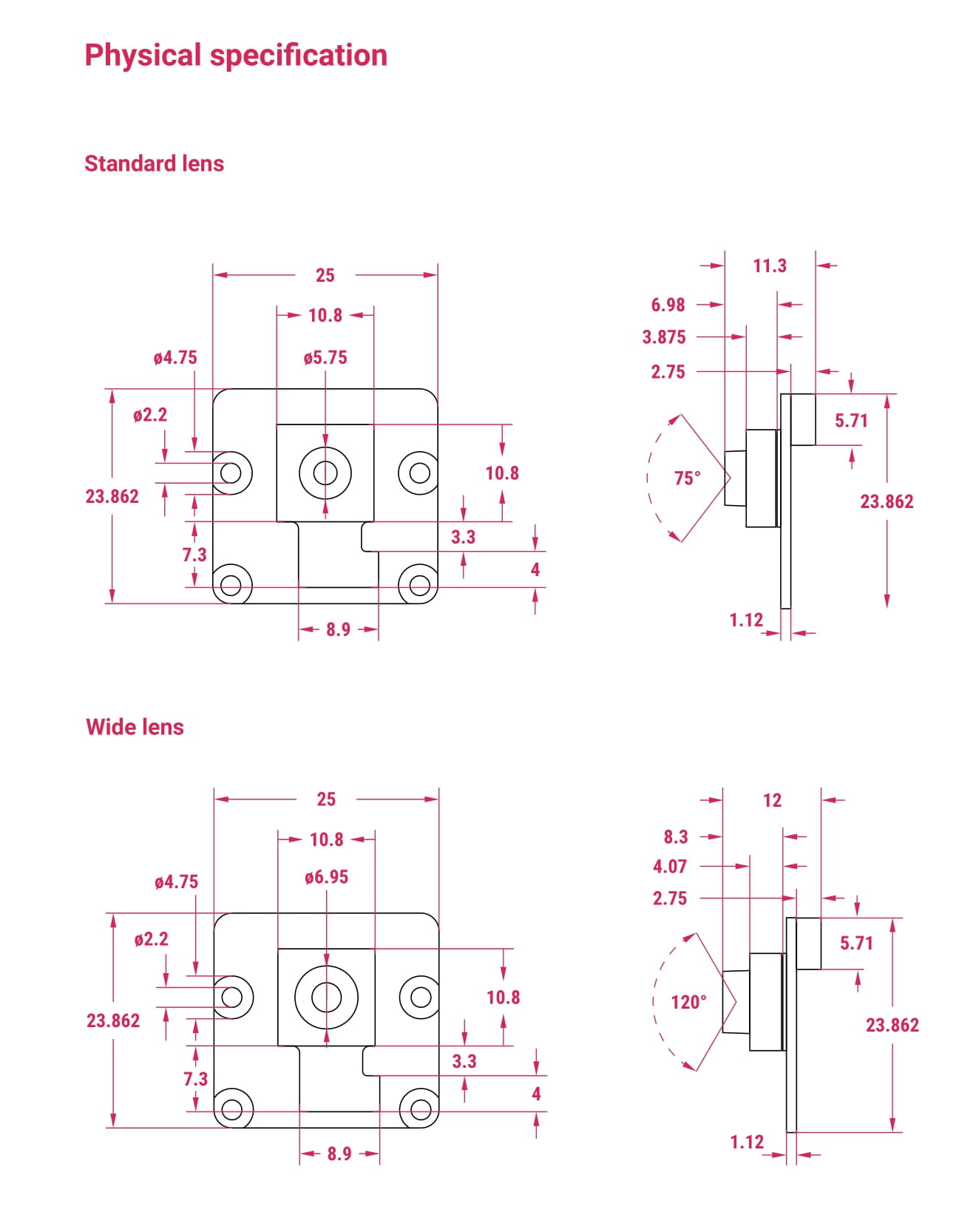
PCB 사이즈와 설치 구멍은 카메라 모듈2와 동일합니다. Z 치수는 다릅니다. 개선된 광학 기능으로 인해 카메라 모듈 3은 카메라 모듈 2보다 몇 밀리미터 더 높습니다.
모든 종류의 카메라 모듈 3 기능:
• 백라이밍 및 스택형 CMOS 1,200만 화소 이미지 센서(Sony IMX708)
• 높은 신호 대 잡음비(SNR)
• 내장 2D DPC(Dynamic Defect Pixel Correction)
• 고속 자동 포커스를 위한 위상 검출 자동 포커스(PDAF)
• QBC 리모자이크 함수
• HDR 모드(최대 300만 화소 출력)
• CSI-2 시리얼 데이터 출력
• 2선 시리얼 통신(I2C 고속 모드 및 고속 모드 플러스 지원)
• 포커스 메커니즘의 2-와이어 시리얼 제어
사양 Specification
| 센서 | 소니 IMX708 |
| 해상도 | 11.9 메가픽셀 |
| 센서 크기 | 7.4mm 센서 대각선 |
| 픽셀 크기 | 1.4μm × 1.4μm |
| 수평/수직 | 4608 × 2592 픽셀 |
| 일반 비디오 모드 | 1080p50, 720p100, 480p120 |
| 출력 | RAW10 |
| 자외선 차단 필터 | 표준 모델에는 내장되어 있지만 NoIR 모델에는 없습니다. |
| 자동 포커스 시스템 | 위상 검출 자동 포커스 |
| 치수 | 25 × 24 × 11.5mm (폭넓은 차종의 경우 높이 12.4mm) |
| 리본 케이블 길이 | 200mm |
| 케이블 커넥터 | 15 × 1 mm FPC |
| 컴플라이언스 | FCC 47 CFR Part 15, Subpart B, Class B 디지털 장치 전자 적합성 지침(EMC) 2014/30/EU 유해물질 제한(RoHS) 지침 2011/65/EU |
| 제품 수명 | 라즈베리 파이 카메라 모듈 3은 다음까지 생산될 예정입니다. 최소 2030년 1월 |
물리적 사양 - 모든 치수 단위는 mm

카메라 종류 특징
| 카메라 모듈 3 | 카메라 모듈 3 NoIR | 카메라 모듈 3 와이드 | 카메라 모듈 3 와이드 NoIR | |
| 초점 범위초점 | 10cm – 10cm (10cm) | 10cm – 10cm (10cm) | 5cm – 길이 | 5cm – 길이 |
| 초점 거리 | 4.74mm | 4.74mm | 2.75mm | 2.75mm |
| 대각선 시야 | 75도 | 75도 | 120도 | 120도 |
| 수평 시야 | 66도 | 66도 | 102도 | 102도 |
| 수직 시야 | 41도 | 41도 | 67도 | 67도 |
| 초점비(F-stop) | F1.8 | F1.8 | F2.2 | F2.2 |
| 적외선 감응형 | No. | Yes | No | Yes |

'개발자 > 라즈베리파이4' 카테고리의 다른 글
| Raspberry Pi4 Node.js 최신 버전 업데이트 (0) | 2023.01.25 |
|---|---|
| 아쿠아포닉스 Whitebox T3 MkII for Raspberry Pi, model T3.21 (0) | 2023.01.20 |
| 라즈베리파이 화면캡쳐 방법 (0) | 2023.01.19 |
| Raspberry Pi 화면 캡쳐 방법 (0) | 2023.01.17 |
| giblib error: Can't open X display. 에러 해결 방법 (0) | 2023.01.13 |
| 라즈베리파이3 B+ libcamera 설치 (0) | 2023.01.11 |
| 라즈베리파이 카메라 모듈 v3의 모든 것 (0) | 2023.01.10 |
| 라즈베리파이3 B+ libcamera 설치 문제 해결 (0) | 2023.01.09 |
취업, 창업의 막막함, 외주 관리, 제품 부재!
당신의 고민은 무엇입니까? 현실과 동떨어진 교육, 실패만 반복하는 외주 계약,
아이디어는 있지만 구현할 기술이 없는 막막함.
우리는 알고 있습니다. 문제의 원인은 '명확한 학습, 실전 경험과 신뢰할 수 있는 기술력의 부재'에서 시작됩니다.
이제 고민을 멈추고, 캐어랩을 만나세요!
코딩(펌웨어), 전자부품과 디지털 회로설계, PCB 설계 제작, 고객(시장/수출) 발굴과 마케팅 전략으로 당신을 지원합니다.
제품 설계의 고수는 성공이 만든 게 아니라 실패가 만듭니다. 아이디어를 양산 가능한 제품으로!
귀사의 제품을 만드세요. 교육과 개발 실적으로 신뢰할 수 있는 파트너를 확보하세요.
캐어랩