M5Stack StampS3A ESP32-S3FN8 플래시 8MB Wi-Fi 교체 액세서리 Cardputer StamPLC 다이얼 StampFly용 지능형 IoT 장치
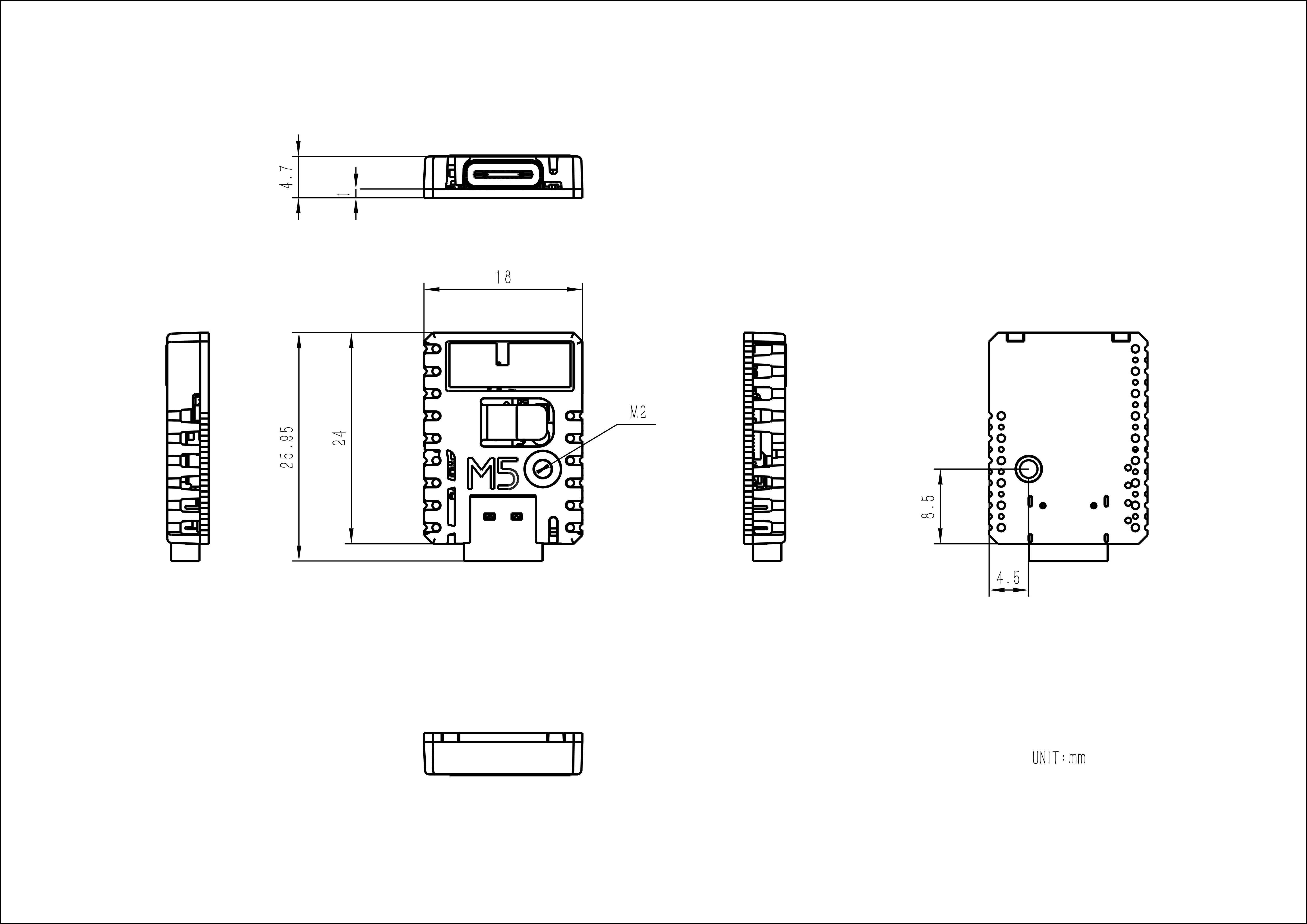
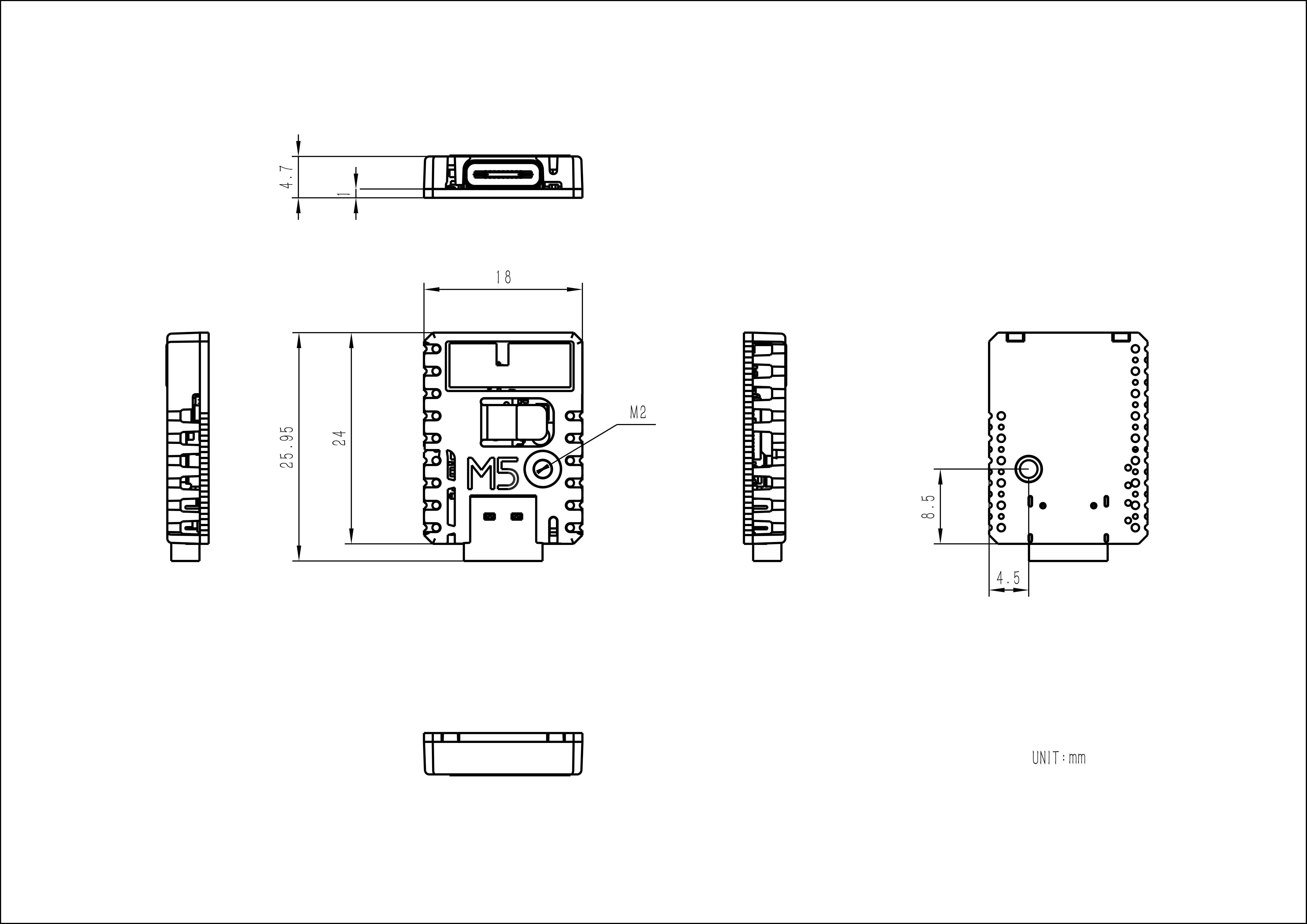
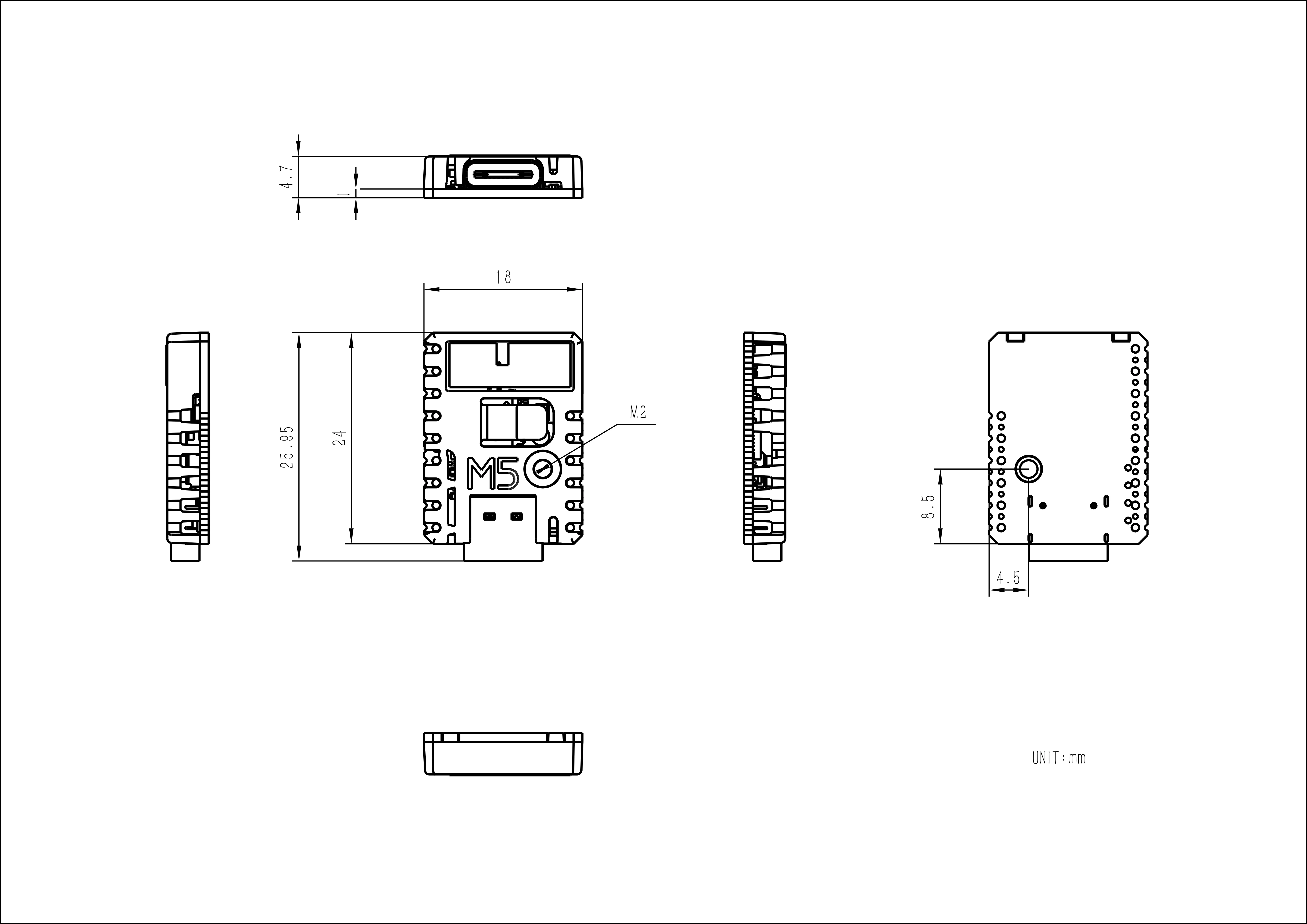
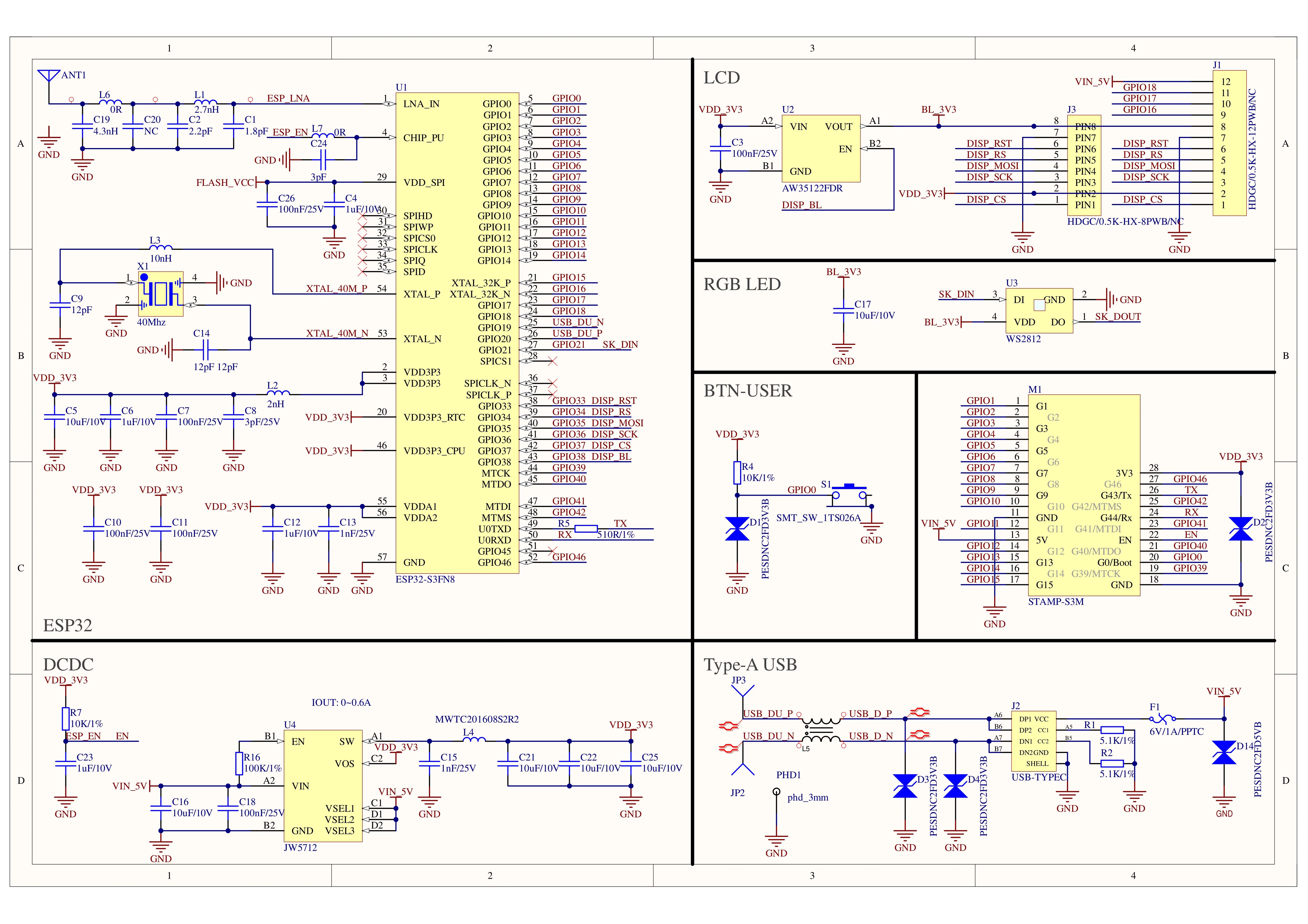
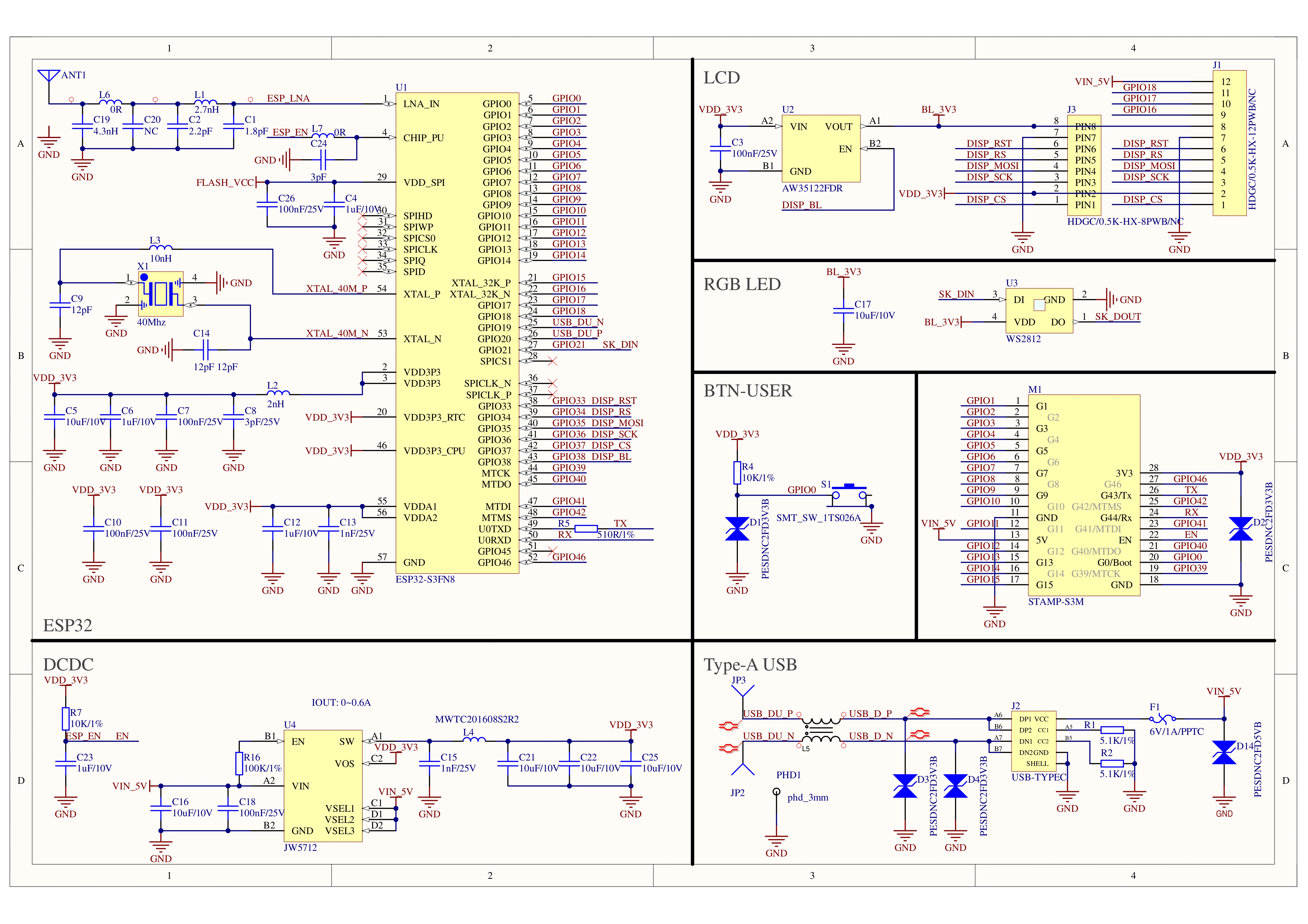
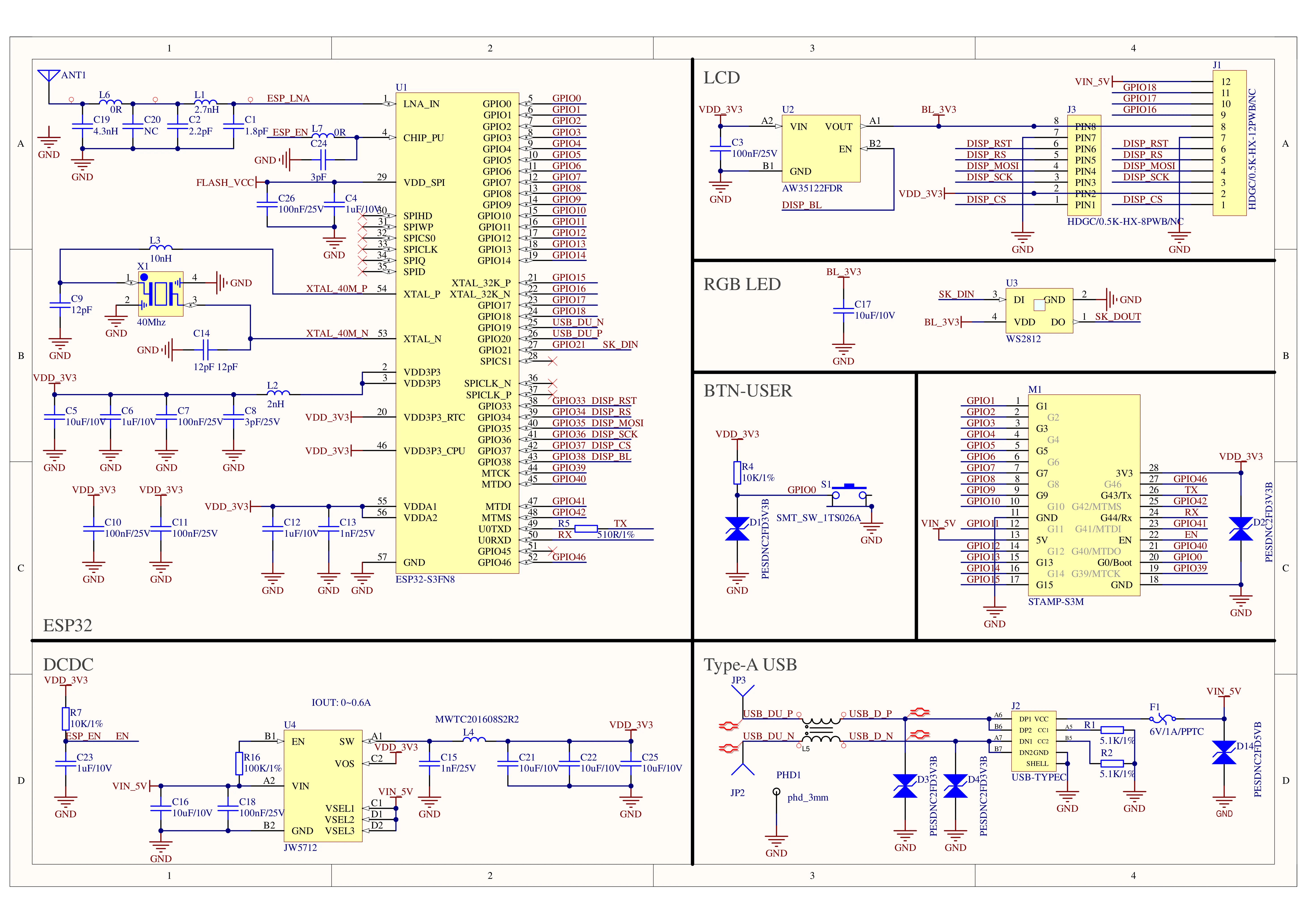
스탬프-S3A Espressif ESP32-S3FN8을 기반으로 하는 고집적 임베디드 모듈입니다. 240 MHz Xtensa 32비트 LX7 듀얼 코어 프로세서가 장착되어 있으며 8MB 플래시, 프로그래밍 가능한 RGB LED 및 사용자 버튼이 통합되어 있습니다. 깊이 최적화된 3D 안테나 디자인은 더욱 강력한 무선 통신 성능을 제공합니다. 23개의 GPIO는 1.27mm/2.54mm 피치 SMT/DIP 핀 헤더 또는 소켓을 통해 분할되어 제공되므로 PCB 통합이 용이하고 개발자가 신속하게 애플리케이션을 구축할 수 있습니다.
애플리케이션
스마트 홈
지능형 IoT 장치
산업용 제어 터미널
웨어러블 디바이스
스탬프-S3AStamPLC, Cardputer V1.1, Dial v1.1 ...등
스탬프-S3A PIN1.27StampFly 업그레이드 버전...등
옵션1
Stamp-S3A 포함
1 x 스탬프-S3A
1 x HY2.0-4P 터미널
1 x 2.54-9 P 수 헤더
1 x 2.54-6 P 수 헤더
1 x 육각 키 L자형 1.5mm(M2 나사용)
1 x 핀 스티커
옵션2
Stamp-S3A PIN1.27 포함
1 x Stamp-S3A PIN1.27
1 x 핀 스티커















아이템 비교


다운로드 모드
다운로드 모드로 들어가려면 전원을 켜기 전에 Stamp-S3A의 G0 버튼을 길게 누른 다음 전원이 공급된 후 손을 떼세요.


'개발자 > 부품' 카테고리의 다른 글
| Raspberry Pi용 팬틸트 키트 및 Arducam 64MP 카메라 (0) | 2025.09.08 |
|---|---|
| Sunfouder의 PiCar-X (1) | 2025.09.07 |
| 이더넷 개발 보드, 아두이노 DIY 프로젝트, POE 없음, W5500 (2) | 2025.08.31 |
| ESP32-DevKitC-32 ESP32 확장 보드 (3) | 2025.08.17 |
| 4극 휴대폰 헤드셋의 배선 다이어그램 (3) | 2025.08.13 |
| 고고도 풍선 추적 시스템 (1) | 2025.08.10 |
| ESP32 LTE Cat 4고속 4G 네트워크 GPS 안테나 무선 WiFi 블루투스 개발 보드 (1) | 2025.08.05 |
| 정밀 5V 출력 제어 TDK-Lambda I3A4W005A150V-001-R, MAX5216PMB1 (2) | 2025.08.02 |
취업, 창업의 막막함, 외주 관리, 제품 부재!
당신의 고민은 무엇입니까? 현실과 동떨어진 교육, 실패만 반복하는 외주 계약,
아이디어는 있지만 구현할 기술이 없는 막막함.
우리는 알고 있습니다. 문제의 원인은 '명확한 학습, 실전 경험과 신뢰할 수 있는 기술력의 부재'에서 시작됩니다.
이제 고민을 멈추고, 캐어랩을 만나세요!
코딩(펌웨어), 전자부품과 디지털 회로설계, PCB 설계 제작, 고객(시장/수출) 발굴과 마케팅 전략으로 당신을 지원합니다.
제품 설계의 고수는 성공이 만든 게 아니라 실패가 만듭니다. 아이디어를 양산 가능한 제품으로!
귀사의 제품을 만드세요. 교육과 개발 실적으로 신뢰할 수 있는 파트너를 확보하세요.
캐어랩