ESP32 C3 16핀 미니 Wi-Fi/블루투스 모듈 Type-C ESP32-C3 16핀 RISC-V 32비트 싱글 코어 프로세서 확장 보드
ESP32 C3 Development Board Mini Wifi BT Module Type-C ESP32-C3 16Pin RISC-V 32-Bit Single-Core Processor
제품 설명
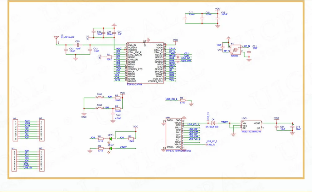
ESP32C3SuperMini는 Espressif ESP32-C3 WiFi/Bluetooth 듀얼 모드 칩을 기반으로 하는 IoT 미니 개발 보드입니다. ESP32-C3는 강력한 연산 능력을 갖춘 32비트 단정밀도 연산용 FPU(부동 소수점 장치)를 포함하는 32비트 RISC-V CPU입니다. 뛰어난 RF 성능을 제공하며 IEEE 802.11b/g/n WiFi 및 Bluetooth 5(LE) 프로토콜을 지원합니다. 이 보드는 무선 애플리케이션의 신호 강도 향상을 위해 외부 안테나를 제공합니다. 또한, 단면 표면 실장 설계로 작고 정교한 형태를 자랑합니다. 11개의 디지털 I/O(PWM 핀으로 사용 가능)와 4개의 아날로그 I/O(ADC 핀으로 사용 가능)를 비롯한 다양한 인터페이스를 갖추고 있습니다. UART, I2C, SPI의 네 가지 시리얼 인터페이스를 지원하며, 리셋 버튼과 부트로더 모드 버튼도 내장되어 있습니다.
위에서 언급한 특징들을 종합해 볼 때, ESP32C3SuperMini는 저전력 IoT 애플리케이션 및 무선 웨어러블 애플리케이션에 적합한 고성능, 저전력, 비용 효율적인 IoT 미니 개발 보드입니다.
제품 사양
- 강력한 CPU: ESP32-C3, 32비트 RISC-V 싱글 코어 프로세서, 최대 160MHz 동작
- Wi-Fi: 802.11b/g/n 프로토콜, 2.4GHz, 스테이션 모드, 소프트AP 모드, 소프트AP+스테이션 모드, 하이브리드 모드 지원
- 블루투스: 블루투스 5.0
- 초저전력 소비: 딥 슬립 모드 시 약 43μA의 전력 소비
- 풍부한 보드 리소스: 400KB SRAM, 384KB ROM, 내장 4MB 플래시 메모리
- 칩 모델: ESP32C3FN4
- 초소형 크기: 엄지손가락만 한 크기(22.52x18mm)의 클래식한 디자인으로 웨어러블 기기 및 소규모 프로젝트에 적합합니다.
- 안정적인 보안 기능: AES-128/256, 해싱, RSA, HMAC, 디지털 서명 및 보안 시작을 지원하는 하드웨어 가속기 내장
- 풍부한 인터페이스: 1개의 I2C 포트, 1개의 SPI 포트, 2개의 UART 포트, 11개의 GPIO(PWM) 포트, 4개의 ADC 포트
- 단면 실장형 설계
- 온보드 LED (파란색): GPIO8 핀









'개발자 > 부품' 카테고리의 다른 글
| INMP441 전방향 마이크 모듈 (0) | 2026.03.30 |
|---|---|
| ESP32-S3-44핀 브레이크아웃 보드 확장 보드 모듈 (0) | 2026.03.29 |
| S35B 전압선택형 5V / 8V / 9V / 12V 1.5A 부스트모듈 (0) | 2026.03.29 |
| 1.5인치 128x128 OLED 실드 스크린 모듈 SH1107 드라이버 I²C 4핀 화이트 (0) | 2026.03.24 |
| ESP32 Qwiic Pro Mini ESP32 보드 (0) | 2026.03.19 |
| DIY 스마트 체중계용 ESP32 보드 (0) | 2026.03.19 |
| u-blox SAM-M10Q 표준 정밀 GNSS 안테나 모듈 (0) | 2026.03.18 |
| TFT-LCD 사용자 가이드 (0) | 2026.03.18 |
취업, 창업의 막막함, 외주 관리, 제품 부재!
당신의 고민은 무엇입니까? 현실과 동떨어진 교육, 실패만 반복하는 외주 계약,
아이디어는 있지만 구현할 기술이 없는 막막함.
우리는 알고 있습니다. 문제의 원인은 '명확한 학습, 실전 경험과 신뢰할 수 있는 기술력의 부재'에서 시작됩니다.
이제 고민을 멈추고, 캐어랩을 만나세요!
코딩(펌웨어), 전자부품과 디지털 회로설계, PCB 설계 제작, 고객(시장/수출) 발굴과 마케팅 전략으로 당신을 지원합니다.
제품 설계의 고수는 성공이 만든 게 아니라 실패가 만듭니다. 아이디어를 양산 가능한 제품으로!
귀사의 제품을 만드세요. 교육과 개발 실적으로 신뢰할 수 있는 파트너를 확보하세요.
캐어랩